Для студентов СФУ по предмету Релейная защитаАВТОМАТИЧЕСКОЕ ВКЛЮЧЕНИЕ РЕЗЕРВНОГО ТРАНСФОРМАТОРААВТОМАТИЧЕСКОЕ ВКЛЮЧЕНИЕ РЕЗЕРВНОГО ТРАНСФОРМАТОРА
5,0053330
2022-07-072022-07-07СтудИзба
Лабораторная работа: АВТОМАТИЧЕСКОЕ ВКЛЮЧЕНИЕ РЕЗЕРВНОГО ТРАНСФОРМАТОРА
Описание
АВТОМАТИЧЕСКОЕ ВКЛЮЧЕНИЕ РЕЗЕРВНОГО ТРАНСФОРМАТОРА
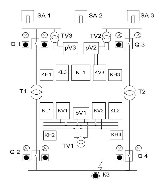
Цель работы: изучение принципа действия устройства АВР трансформаторов.
Основные положения
АВР трансформаторов применяется на двух трансформаторных подстанциях, когда питание потребителей в нормальном режиме осуществляется от одного рабочего трансформатора, а второй – резервный трансформатор – отключен и находится в автоматическом резерве.
Схема АВР трансформаторов должна обеспечивать следующие режимы работы:
Цель работы: изучение принципа действия устройства АВР трансформаторов.
Основные положения
АВР трансформаторов применяется на двух трансформаторных подстанциях, когда питание потребителей в нормальном режиме осуществляется от одного рабочего трансформатора, а второй – резервный трансформатор – отключен и находится в автоматическом резерве.
Схема АВР трансформаторов должна обеспечивать следующие режимы работы:
- Включение резервного трансформатора Т2 при отключении выключателя Q2 основного трансформатора Т1.
- Отключение выключателя Q2 и включение резервного трансформатора Т2 при отключении выключателя Q1 трансформатора Т1.
- Включение резервного трансформатора при исчезновении напряжения на шинах высокого напряжения основного источника.

Характеристики лабораторной работы
Предмет
Учебное заведение
Семестр
Просмотров
2
Качество
Идеальное компьютерное
Размер
280,5 Kb
Список файлов
АВР ПЕТУХОВ.doc

Если нужен другой вариант работы или отдельная задача из любой работы, пишите в комментарии