Расчет уставок и проверка чувствительности МТЗ в сети с односторонним питанием. Для МТЗ 1 и 2 в сети, изображенной на рисунке: 1) определить токи срабатывания Iс.з1 и Iс.з2, времена срабатывания tс.з1 и tс.з2, а также токи срабатывания реле тока Iс.р
Новинка
Описание
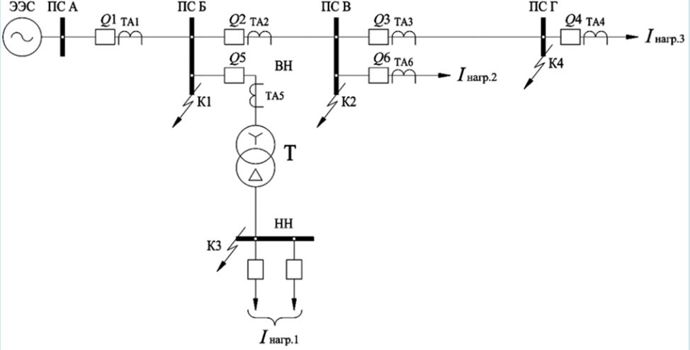
Для МТЗ 1 и 2 в сети, изображенной на рисунке:
1) определить токи срабатывания Iс.з1 и Iс.з2, времена срабатывания tс.з1 и tс.з2, а также токи срабатывания реле тока Iс.р1 и Iс.р2 этих защит;
2) выбрать схему включения реле тока МТЗ 1 и 2 и оценить чувствительность МТЗ 1 и 2.
При необходимости число нужно округлять до второго знака после запятой.
Исходные данные:
Iнагр.1 =45, А; Iнагр.2 =25, А; Iнагр.3 =75, A; tс.з.4=1.1, с; tс.з.5=1, с; tс.з.6=2.3, с; I(3)K1=1000, A; I(3)K2=420, A; I(3)K3=600, A; I(3)K4=300, A; kотс=1.2; kз=1.5; kв=0.9; Δt=0.5, с
Первичные номинальные токи и коэффициенты трансформации трансформаторов тока
1) определить токи срабатывания Iс.з1 и Iс.з2, времена срабатывания tс.з1 и tс.з2, а также токи срабатывания реле тока Iс.р1 и Iс.р2 этих защит; 2) выбрать схему включения реле тока МТЗ 1 и 2 и оценить чувствительность МТЗ 1 и 2.
При необходимости число нужно округлять до второго знака после запятой.
Исходные данные:
Iнагр.1 =45, А; Iнагр.2 =25, А; Iнагр.3 =75, A; tс.з.4=1.1, с; tс.з.5=1, с; tс.з.6=2.3, с; I(3)K1=1000, A; I(3)K2=420, A; I(3)K3=600, A; I(3)K4=300, A; kотс=1.2; kз=1.5; kв=0.9; Δt=0.5, с
Первичные номинальные токи и коэффициенты трансформации трансформаторов тока
| Iном, А | 25 | 50 | 75 | 100 | 150 | 200 | 250 | 300 | 400 | 600 | 800 | 1000 | 1500 |
| KI | 25/5 | 50/5 | 75/5 | 100/5 | 150/5 | 200/5 | 250/5 | 300/5 | 400/5 | 600/5 | 800/5 | 1000/5 | 1500/5 |
Файлы условия, демо
Характеристики домашнего задания
Учебное заведение
Семестр
Номер задания
Просмотров
3
Качество
Идеальное компьютерное
Размер
271,17 Kb
Список файлов
Снимок экрана 2025-10-26 150256.png
Снимок экрана 2025-10-26 150247.png
Снимок экрана 2025-10-26 150239.png
Снимок экрана 2025-10-26 150204.png
Снимок экрана 2025-10-26 150140.png
Комментарии
Нет комментариев
Стань первым, кто что-нибудь напишет!
ИДДО НИУ «МЭИ» 














