Для студентов СибГИУ по предмету Регулирование и оптимизация электропотребленияДля заданной схемы рассчитать коэффициенты n-ой гармонической составляющей напряжения, коэффициент несинусоидальности на шинах 110 и 6 кВ, дополнительДля заданной схемы рассчитать коэффициенты n-ой гармонической составляющей напряжения, коэффициент несинусоидальности на шинах 110 и 6 кВ, дополнитель
5,00518051
2025-03-082025-03-08СтудИзба
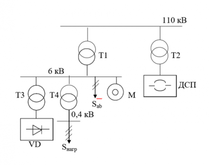
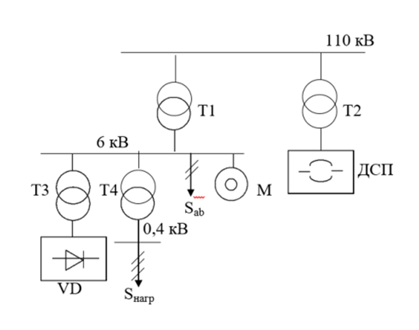
Для заданной схемы рассчитать коэффициенты n-ой гармонической составляющей напряжения, коэффициент несинусоидальности на шинах 110 и 6 кВ, дополнительные потери мощности и снижение срока службы цехового трансформатора Т4 и асинхронного двигателя М из
Описание
Для заданной схемы рассчитать коэффициенты n-ой гармонической составляющей напряжения, коэффициент несинусоидальности на шинах 110 и 6 кВ, дополнительные потери мощности и снижение срока службы цехового трансформатора Т4 и асинхронного двигателя М из-за перегрева токами высших гармоник и несимметрии напряжения. Нормальный срок службы принять 20 лет. Рабочая температура 75ºС.
Исходные данные:
С: Sкз,110 – 2200 МВА; Sкз,6=170 МВА; Sкз,0,4=3 МВА;
Т2: SТ2=50 МВА; Uном=110 кВ;
Т3: SТ3=10 МВА; Uном=6 кВ; uк,%=10,5%;
Т4: SТ4=1 МВА; Uном=6 кВ; uк,%=5,5%; ∆Ркз=10,5 кВт; ∆Рхх=1,9 кВт;
М: РМ – 270 кВт; cos φ=0,9; Км=1,2; КI=5,1;
VD: Sпр=8 МВА; cos φ=0,8; m=6;
Файлы условия, демо
Характеристики решённой задачи
Учебное заведение
Номер задания
Вариант
Программы
Просмотров
1
Качество
Идеальное компьютерное
Размер
334,98 Kb
Список файлов
Задача-01.docx
