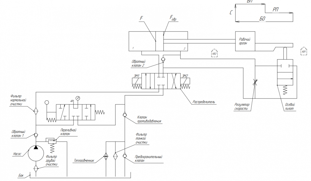
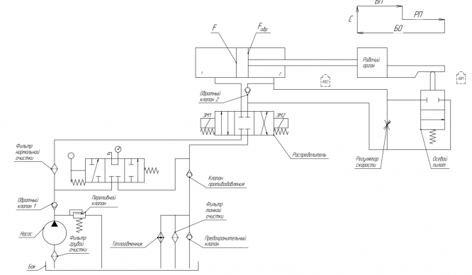
Для студентов МГТУ им. Н.Э.Баумана по предмету Проектирование гидро-пневмоприводов станковРасчет гидравлической системыРасчет гидравлической системы
5,0056
2023-11-082023-11-08СтудИзба
ДЗ 1: Расчет гидравлической системы вариант 4
Бестселлер
Описание
Характеристики домашнего задания
Учебное заведение
Семестр
Номер задания
Вариант
Программы
Теги
Просмотров
76
Качество
Идеальное компьютерное
Размер
1,35 Mb
Преподаватели
Список файлов
Дз.docx
Дз.pdf
Расчет гидравлической системы _ Проектирование гидро-пневмоприводов станков.cdw
Расчет гидравлической системы _ Проектирование гидро-пневмоприводов станков.pdf
Комментарии
Нет комментариев
Стань первым, кто что-нибудь напишет!
МГТУ им. Н.Э.Баумана
alexyloveyou


















