Для студентов ИДДО НИУ «МЭИ» по предмету Прикладная механикаКурс Прикладная механика - КМ-3. Обеспечение прочности и надежности машин при растяжении-сжатии и кручении. ТестированиеКурс Прикладная механика - КМ-3. Обеспечение прочности и надежности машин при растяжении-сжатии и кручении. Тестирование
4,99521889
2025-04-262025-04-26СтудИзба
💼 База ответов к тесту КМ-3: Обеспечение прочности и надежности машин при растяжении-сжатии и кручении (Курс Прикладная механика) 📊
Курс Прикладная механика - КМ-3. Обеспечение прочности и надежности машин при растяжении-сжатии и кручении. Тестирование
Описание
Курс Прикладная механика - КМ-3. Обеспечение прочности и надежности машин при растяжении-сжатии и кручении. Тестирование
🔴 Другие тесты | Отдельные ответы по предмету | Помощь со сдачей ⬅️
➡️Любой предмет | Любой тест | Любая практика | ВКР (Диплом)⬅️
🗝️ ▶Помощь с сессией/долгами под ключ ◀ 🗝️
🔴 Другие тесты | Отдельные ответы по предмету | Помощь со сдачей ⬅️

➡️Любой предмет | Любой тест | Любая практика | ВКР (Диплом)⬅️
🗝️ ▶Помощь с сессией/долгами под ключ ◀ 🗝️
Список вопросов
Прямой брус нагружается внешней силой F .После снятия нагрузки его форма и размеры полностью восстанавливаются. Какие деформации имели место в данном случае?
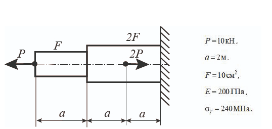
Брус (стержень) переменного поперечного сечения находится под действием нескольких продольных сил. Вычислите коэффициент запаса
прочности и общее удлинение стержня, если
![]()
прочности и общее удлинение стержня, если

На стальном валу постоянного по длине сплошного поперечного сечения, который вращается равномерно с угловой скоростью ш=20 рад/с, установлены три шкива. К одному из шкивов подводится мощность №=40 кВт, с помощью двух других шкивов мощность передается на рабочие органы машины, при этом известна мощность 2=25 кВт. Расстояние между шкивами равно -1 м. Допускаемое напряжение для материала вала [т]=40 МПа, допускаемый относительный угол закручивания [0]=0,02 рад/м. Поперечное сечение вала - круг. Используя исходные данные к задаче, определить крутящие моменты, построить эпюру крутящих моментов, определить диаметр вала из условий прочности и жесткости. Приняв из расчетов диаметр вала, вычислить полный угол закручивания вала. Модуль сдвига для стали 6 = 80 000 МПа.
![]()

Закон Гука при кручении выражается формулой
На стальном валу постоянного по длине сплошного поперечного сечения, который вращается равномерно с угловой скоростью w=20 рад/с, установлены три шкива. К одному из шкивов подводится мощность №=40 кВт, с помощью двух других шкивов мощность передается на рабочие органы машины, при этом известна мощность 2=25 кВт. Расстояние между шкивами равно ±1 м. Допускаемое напряжение для материала вала [т]=40 МПа, допускаемый относительный угол закручивания [0]=0,02 рад/м. Поперечное сечение вала круг. Используя исходные данные к задаче, определить крутящие моменты, построить эпюру крутящих моментов, определить диаметр вала из условий прочности и жесткости. Приняв из расчетов диаметр вала, вычислить полный угол закручивания вала. Модуль сдвига для стали G = 80 000 МПа.
![]()

Брус (стержень) переменного поперечного сечения находится под действием нескольких продольных сил. Вычислите коэффициент запаса
прочности и общее удлинение стержня, если
прочности и общее удлинение стержня, если

Опора, которая допускает поворот системы в плоскости опоры и перемещение системы в направление параллельном опорной плоскости
Тела, у которых один характерный размер (толщина) значительно меньше двух других
На стальном валу постоянного по длине сплошного поперечного сечения, который вращается равномерно с угловой скоростью w=10 рад/с, установлены три шкива. К одному из шкивов подводится мощность 1=60 кВт, с помощью двух других шкивов мощность передается на рабочие органы машины, при этом известна мощность 2=25 кВт. Расстояние между шкивами равно ±1 м. Допускаемое напряжение для материала вала [т]=50 МПа, допускаемый относительный угол закручивания [0]=0,02 рад/м. Поперечное сечение вала - круг. Используя исходные данные к
задаче, определить крутящие моменты, построить эпюру крутящих моментов, определить диаметр вала из условий прочности и жесткости. Приняв из расчетов диаметр вала, вычислить полный угол закручивания вала. Модуль сдвига для стали G=80 000 МПа.
![]()
задаче, определить крутящие моменты, построить эпюру крутящих моментов, определить диаметр вала из условий прочности и жесткости. Приняв из расчетов диаметр вала, вычислить полный угол закручивания вала. Модуль сдвига для стали G=80 000 МПа.

Брус (стержень) переменного поперечного сечения находится под действием нескольких продольных сил. Вычислите коэффициент запаса
прочности и общее удлинение стержня, если
прочности и общее удлинение стержня, если

В каких единицах измеряется напряжение?
Напряжения в сечении при растяжении-сжатии, зависят от
Поперечные силы Qx, Qy связаны с деформацией...
Прямолинейные колонны, балки перекрытий, опоры мостов, валы - это
Свойство конструкции изменять свои размеры и форму под действием внешних нагрузок (сил).
Тела, у которых все три размера сопоставимы между собой
Модуль сдвига имеет размерность
Выберите основные гипотезы сопротивления материалов
Характеристики ответов (шпаргалок) к заданиям
Тип
Коллекция: Ответы (шпаргалки) к заданиям
Предмет
Учебное заведение
Номер задания
Теги
Просмотров
10
Качество
Идеальное компьютерное
Количество вопросов
Преподаватели

Гарантия сдачи без лишних хлопот! ✅🎓 Ответы на тесты по любым дисциплинам, базы вопросов, работы и услуги для Синергии, МЭИ и других вузов – всё уже готово! 🚀 🎯📚 Гарантия качества – или возврат денег! 💰✅