Для студентов МГТУ им. Н.Э.Баумана по предмету ПрактикаОтчет по практике (ПАО РКК "Энергия" - Корпус)Отчет по практике (ПАО РКК "Энергия" - Корпус)
4,8858743
2023-08-172023-08-17СтудИзба
Отчёт по практике: Отчет по практике (ПАО РКК "Энергия" - Корпус)
Описание

Индивидуальное задание
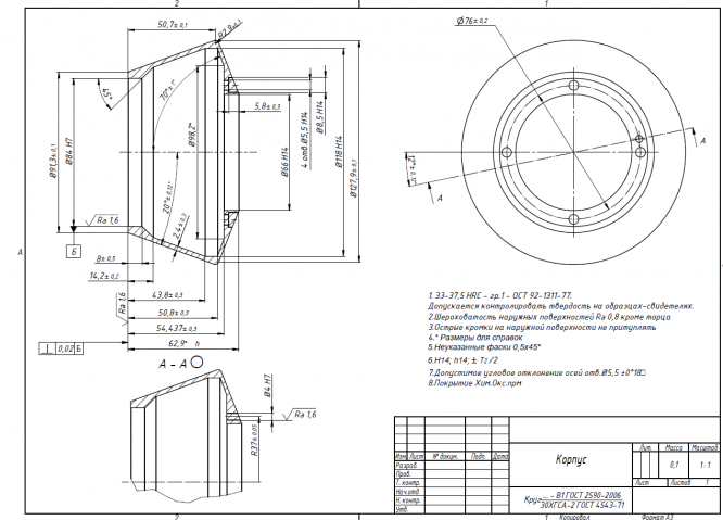
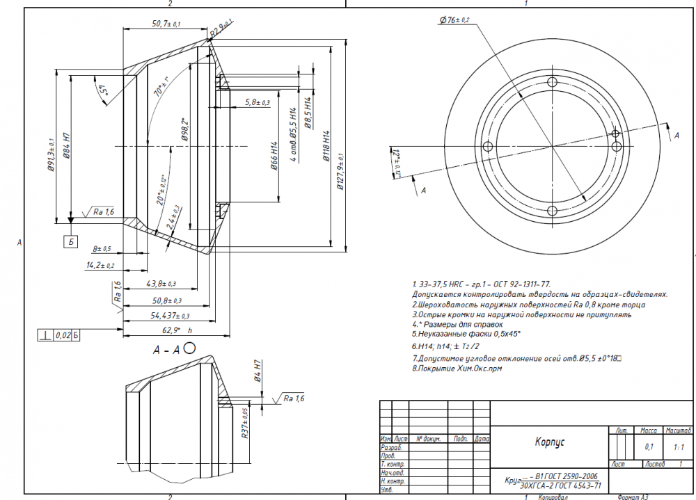
Необходимо разработать техпроцесс для изготовления детали под названием «Корпус» из материала 30ХГСА-2. Масса детали 0,178 кг. Габаритные размеры 127.9х62.9.
Производство серийное.

Характеристики отчёта по практике
Предмет
Учебное заведение
Семестр
Теги
Просмотров
9
Размер
1,3 Mb
Список файлов
Отчет по практике (ПАО РКК Энергия - Корпус)
Заготовка под термообработку.pdf
Корпус.pdf
Операция 090.pdf
Отчет по практике.pdf
Токарная с ЧПУ.pdf

НОВИНКА: отчеты по практикам! Поиск - по названию предприятия в тэге. База учебных материалов МГТУ им. Н.Э. Баумана в формате pdf, оригиналы файлов отсутствуют (если иное не оговорено в описании). Вопросы задавайте ДО покупки в комментариях под файлами.