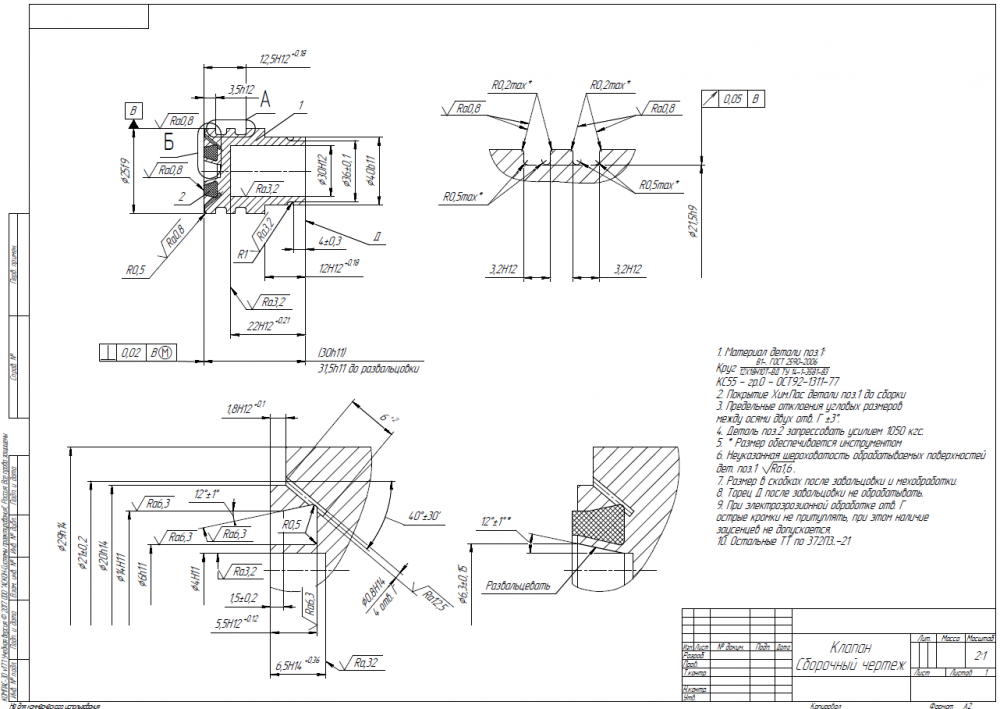
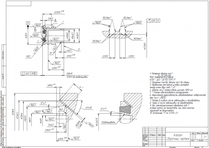
Для студентов МГТУ им. Н.Э.Баумана по предмету ПрактикаОтчет по практике (ЗАО "ЗЭМ" РКК "Энергия" - Клапан)Отчет по практике (ЗАО "ЗЭМ" РКК "Энергия" - Клапан)
4,8858644
2023-08-172023-08-17СтудИзба
Отчёт по практике: Отчет по практике (ЗАО "ЗЭМ" РКК "Энергия" - Клапан)
Описание
Характеристики отчёта по практике
Предмет
Учебное заведение
Семестр
Просмотров
6
Размер
1,85 Mb
Список файлов
Отчет по практике (ЗАО ЗЭМ РКК Энергия - Клапан) (2)
Клапан.pdf
Отчет по практике.pdf

НОВИНКА: отчеты по практикам! Поиск - по названию предприятия в тэге. База учебных материалов МГТУ им. Н.Э. Баумана в формате pdf, оригиналы файлов отсутствуют (если иное не оговорено в описании). Вопросы задавайте ДО покупки в комментариях под файлами.