Для студентов МГТУ им. Н.Э.Баумана по предмету ПрактикаОтчет по производственной практике (ВНИИИНСТРУМЕНТ - Детали "Корпус", "Пластина")Отчет по производственной практике (ВНИИИНСТРУМЕНТ - Детали "Корпус", "Пластина")
4,8858672
2023-08-172023-08-17СтудИзба
Отчёт по практике: Отчет по производственной практике (ВНИИИНСТРУМЕНТ - Детали "Корпус", "Пластина")
Описание

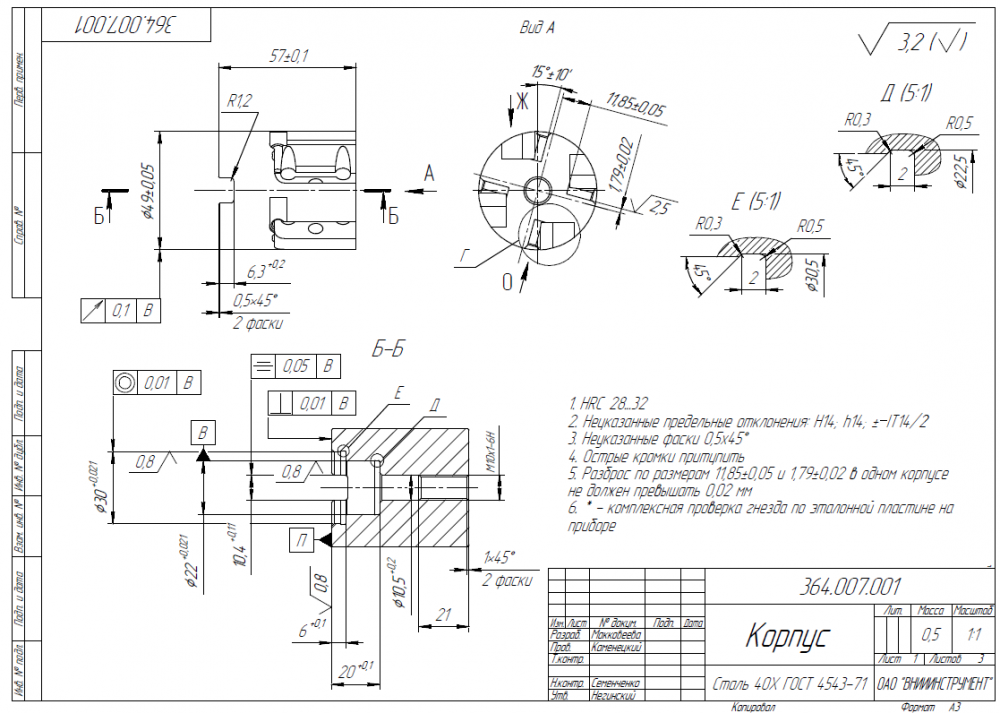
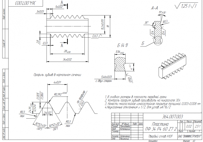
Анализ рабочего чертежа
В рамках производственной практики было получено задание на разработку операционной технологии изготовления корпуса и твердосплавной пластины сборной резьбовой фрезы 364.007.000. В данном инструменте твердосплавные пластины имеют 4 режущих части, что по сравнению с обыкновенным резьбовыми пластинами, увеличивает ресурс в 2 раза. Базирование пластины в корпусе осуществляется по специальным плоскостям по краям пластины, что как раз и позволяет изготовить дополнительные режущие зубья. В корпусе пластина крепится при помощи клина, который соединяется с корпусом при помощи дифференциального винта М6. Данное решение ускоряет и упрощает замену и переустановку твердосплавных пластин.
Фреза устанавливается на оправку и крепится к ней при помощи дифференциального вина М10. Использование такого крепления обуславливается малыми размерами фрезы и позволяет крепить фрезу на стандартную оправку для торцовых фрез.


Характеристики отчёта по практике
Предмет
Учебное заведение
Теги
Просмотров
2
Размер
2,34 Mb
Список файлов
Отчет по производственной практике (ВНИИИНСТРУМЕНТ - Корпус).pdf

НОВИНКА: отчеты по практикам! Поиск - по названию предприятия в тэге. База учебных материалов МГТУ им. Н.Э. Баумана в формате pdf, оригиналы файлов отсутствуют (если иное не оговорено в описании). Вопросы задавайте ДО покупки в комментариях под файлами.