Для студентов МГТУ им. Н.Э.Баумана по предмету ПрактикаОтчет по производственной практике (УПЦ МГТУ им. Н.Э. Баумана - "Втулка")Отчет по производственной практике (УПЦ МГТУ им. Н.Э. Баумана - "Втулка")
4,8858699
2023-08-032023-08-03СтудИзба
Отчёт по практике: Отчет по производственной практике (УПЦ МГТУ им. Н.Э. Баумана - "Втулка") вариант 38
Описание

Содержание:
История предприятия
Конспект экскурсии
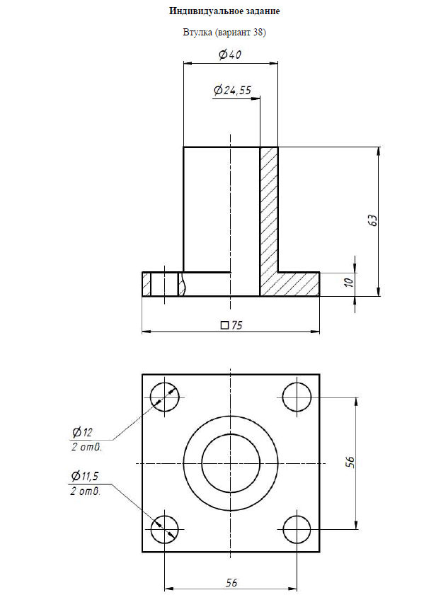
Технологический процесс обработки детали «Втулка»
Заключение
Характеристики отчёта по практике
Предмет
Учебное заведение
Семестр
Вариант
Просмотров
20
Размер
1,26 Mb
Список файлов
Отчет по производственной практике (УПЦ МГТУ им. Н.Э. Баумана - Втулка - вариант 38).pdf

НОВИНКА: отчеты по практикам! Поиск - по названию предприятия в тэге. База учебных материалов МГТУ им. Н.Э. Баумана в формате pdf, оригиналы файлов отсутствуют (если иное не оговорено в описании). Вопросы задавайте ДО покупки в комментариях под файлами.