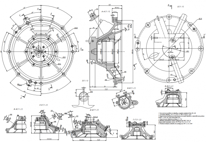
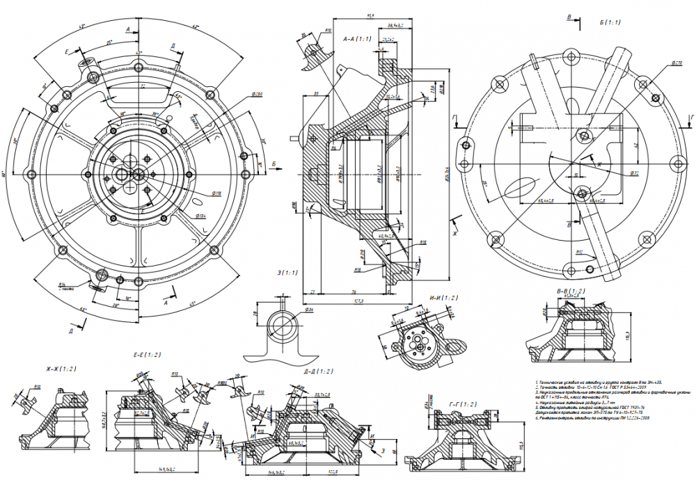
Отчёт по практике: Практика на заводе МВЗ им. М.Л. Миля
-42%
Описание
Характеристики отчёта по практике
Предмет
Учебное заведение
Семестр
Просмотров
36
Размер
2,49 Mb
Список файлов
Практика на заводе МВЗ им. М.Л
Заготовка.pdf
МТП.pdf
ОТП.pdf
РПЗ.pdf
Сборки кондуктора.pdf
Комментарии
Нет комментариев
Стань первым, кто что-нибудь напишет!

МГТУ им. Н.Э.Баумана
















