Для студентов МГТУ им. Н.Э.Баумана по предмету ПрактикаЭксплуатационная практикаЭксплуатационная практика
4,885266
2021-06-262021-06-26СтудИзба
Ответы к экзамену: Эксплуатационная практика
-33%
Описание
Характеристики ответов (шпаргалок) к экзамену
Предмет
Учебное заведение
Просмотров
27
Размер
1,44 Mb
Список файлов
Эксплуатационная практика МТ3
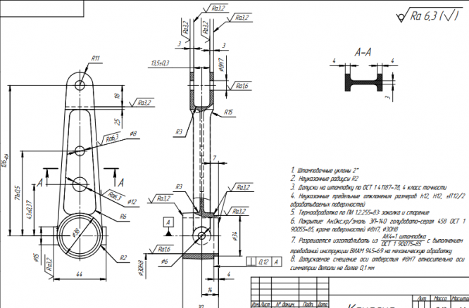
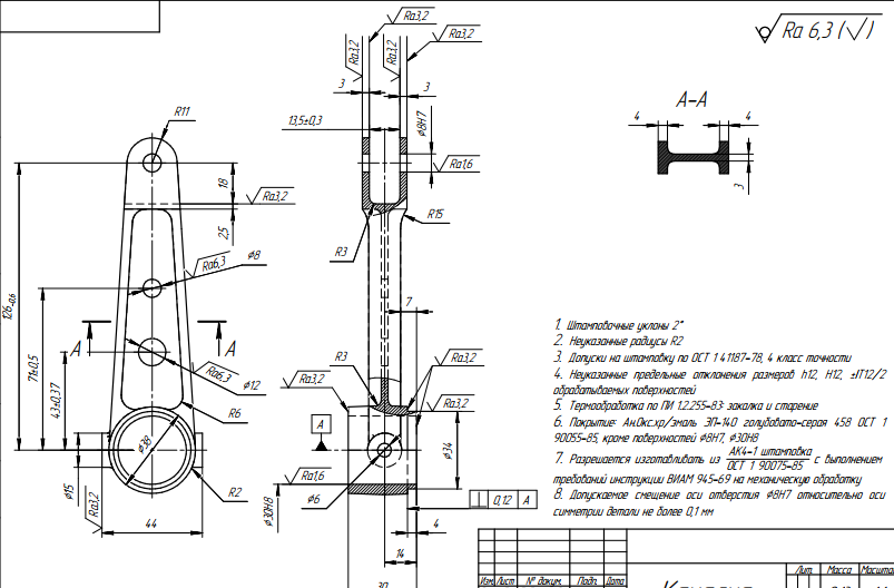
Деталь.pdf
МТП.pdf
РПЗ.pdf
компоновка.pdf
планировки.pdf
МГТУ им. Н.Э.Баумана



















