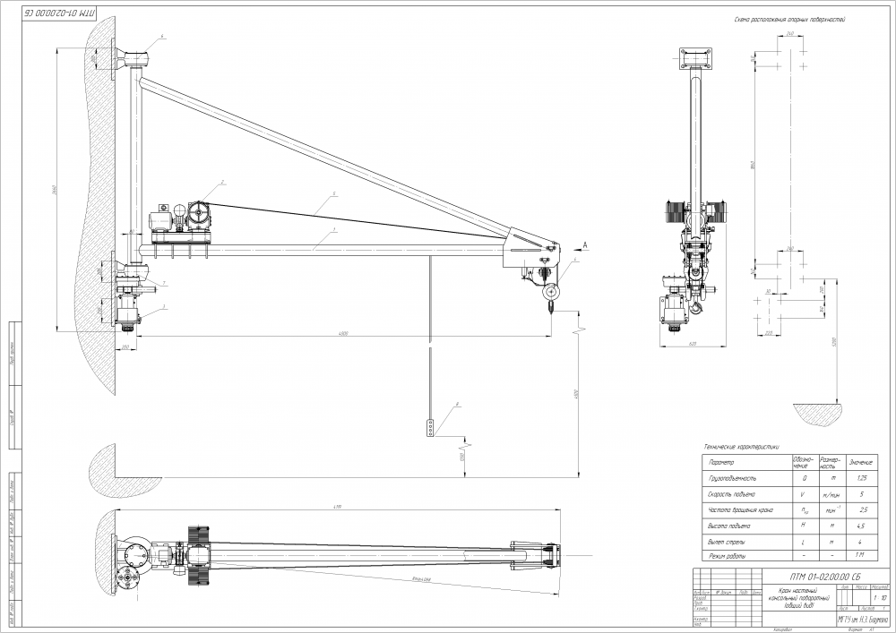
Для студентов МГТУ им. Н.Э.Баумана по предмету Подъёмно-транспортные машины (ПТМ)Задание 01_02 - Кран настенный консольный поворотный с углом поворота не менее 160Задание 01_02 - Кран настенный консольный поворотный с углом поворота не менее 160
4,39553
2022-01-162025-11-11СтудИзба
Курсовая работа 1: Задание 01_02 - Кран настенный консольный поворотный с углом поворота не менее 160 вариант 2
Описание
Характеристики курсовой работы
Учебное заведение
Семестр
Номер задания
Вариант
Просмотров
43
Качество
Идеальное компьютерное
Размер
3,29 Mb
Список файлов
1 лист.cdw
Верхняя опора _ ПТМ 01-02.60.00 СБ.cdw
Крюковая подвеска.cdw
Металлоконструкция _ ПТМ 01-02.10.00 СБ.cdw
Механизм поворота.cdw
Нижняя опора_ПТМ 01-02.70.00 СБ.cdw
Общий вид.cdw
РПЗ.docx
Расчет.xmcd
Комментарии
Нет комментариев
Стань первым, кто что-нибудь напишет!
МГТУ им. Н.Э.Баумана



















