Для студентов НГТУ по предмету Основы теории цепей (ОТЦ)РГЗ №3 - Анализ переходных процессов - Схема 3 - Данные 2РГЗ №3 - Анализ переходных процессов - Схема 3 - Данные 2
4,96529243
2021-08-242021-08-24СтудИзба
Курсовая работа: РГЗ №3 - Анализ переходных процессов - Схема 3 - Данные 2 вариант 3
Описание
Расчетно-графическое задание № 3
Анализ переходных процессов
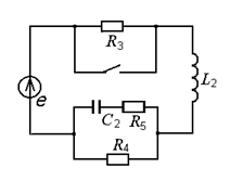
Задание- Найти переходный ток на входе цепи второго порядка, изображенной на схеме, и построить график его изменения в функции времени. ЭДС источника задана в виде: e(t)=Emcos(106t+Ye)
- Принужденную составляющую тока рекомендуется найти методом комплексных амплитуд (т.е. символическим методом), а свободную - операторным.
- Если наибольшее значение свободной составляющей окажется значительно меньшим по сравнению с амплитудой принужденной составляющей, то допускается раздельное построение этих составляющей на чертежах в разных масштабах (без суммирования).

R3 = 4 кОм
R4 = 1 кОм
R5 = 1.5 кОм
L2 = 1.2 мГн
С2 = 2.5 мкФ
Решение
- Вначале вычислим реактивные сопротивления нашей схемы:
- Расчет принужденного режима
- Расчет режима до коммутации:
- Определение независимых начальных условий:
- Определение свободной составляющей операторным методом:
- Ток после коммутации
- Ток до коммутации
Характеристики курсовой работы
Предмет
Учебное заведение
Семестр
Вариант
Просмотров
5
Качество
Идеальное компьютерное
Размер
78,48 Kb
Список файлов
РГЗ №3 - Анализ переходных процессов - Схема 3 - Данные 2
РГЗ №3 - Анализ переходных процессов - Схема 3 - Данные 2.doc

Вам все понравилось? Получите кэшбэк - 40 рублей на Ваш счёт при покупке. Поставьте оценку и напишите положительный комментарий к купленному файлу. После Вы получите деньги на ваш счет.