Для студентов НГТУ по предмету Основы теории цепей (ОТЦ)РГЗ №3 - Анализ переходных процессов - Схема 2 - Данные 11РГЗ №3 - Анализ переходных процессов - Схема 2 - Данные 11
4,96529431
2021-08-242021-08-24СтудИзба
Курсовая работа: РГЗ №3 - Анализ переходных процессов - Схема 2 - Данные 11 вариант 2
Описание
Расчетно-графическое задание № 3
Анализ переходных процессов
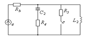
Задание- Найти переходный ток на входе цепи второго порядка, изображенной на схеме, и построить график его изменения в функции времени. ЭДС источника задана в виде: e(t)=Emcos(106t+Ye)
- Принужденную составляющую тока рекомендуется найти методом комплексных амплитуд (т.е. символическим методом), а свободную - операторным.
- Если наибольшее значение свободной составляющей окажется значительно меньшим по сравнению с амплитудой принужденной составляющей, то допускается раздельное построение этих составляющей на чертежах в разных масштабах (без суммирования).

e = 11cos(106t + 30°), В
R3 = 3,5 кОм
R4 = 1,5 кОм
R5 =3,5 кОм
L2 =2,5 мГн
С2 = 2 нФ
Решение
- Расчет принужденного режима
- Расчет режима до коммутации
- Определение независимых начальных условий
- Определим значение тока через катушку и напряжение на конденсаторе в свободном режиме
- Определение свободной составляющей операторным методом
Характеристики курсовой работы
Предмет
Учебное заведение
Семестр
Вариант
Просмотров
4
Качество
Идеальное компьютерное
Размер
973,53 Kb
Список файлов
РГЗ №3 - Анализ переходных процессов - Схема 2 - Данные 11
РГЗ №3 - Анализ переходных процессов - Схема 2 - Данные 11.doc
РГЗ №3 - Анализ переходных процессов - Схема 2 - Данные 11.mcd

Вам все понравилось? Получите кэшбэк - 40 рублей на Ваш счёт при покупке. Поставьте оценку и напишите положительный комментарий к купленному файлу. После Вы получите деньги на ваш счет.