Для студентов НГТУ по предмету Основы теории цепей (ОТЦ)Вариант 12 - Группа 6 - КП - Анализ гармонического процесса в отрезке радиочастотного кабеляВариант 12 - Группа 6 - КП - Анализ гармонического процесса в отрезке радиочастотного кабеля
4,96529495
2021-08-222021-08-22СтудИзба
Курсовая работа: Вариант 12 - Группа 6 - КП - Анализ гармонического процесса в отрезке радиочастотного кабеля вариант 12
Описание
Пояснительная записка к курсовой работе по курсу: Основы теории цепей
на тему: Анализ гармонического процесса в отрезке радиочастотного кабеля
Содержание
Задание на курсовую работу
Исходные данные
Часть 1
- Выбор марки радиочастотного кабеля
- Моделирование генератора, нагрузки и отрезка радиочастотного кабел
- Расчет распределения действующих значений (огибающих) напряжений и тока вдоль отрезка линии без потерь
- Расчет распределения вещественной и мнимой частей сопротивления
- Расчет значений активных мощностей
- Определение значений параметров элементов согласующего устройства и распределений
- 7. Определение значений параметров согласующего устройства по диаграмме полных сопротивлений
- 8. Определение значений параметров согласующего устройства по диаграмме полных сопротивлений
- 9.Расчет распределения действующих значений напряжения и тока вдоль отрезка линии и элементов согласующего устройства
- 10. Определение значений активной мощности в начале и в конце отрезка линии в согласованном режиме
- Исследование частотной избирательности пассивного RC- четырехполюсника
- Заключение
- Список использованной литературы
Задание на курсовую работу
Часть 1
Высокочастотный генератор мощностью РГ с внутренним сопротивлением RГ, работающий на частоте ƒГ, связан с приемником энергии отрезком радиочастотного кабеля длиной l. Приемник энергии представлен пассивным двухполюсником сопротивлением Z2. В соответствии с вариантом задания, требуется:- Выбрать марку радиочастотного кабеля, исходя из заданных значений параметров высокочастотного генератора. Критерий выбора – минимальная величина номинальной массы кабеля. Привести эскиз конструкции выбранного кабеля с указанием размеров его элементов, а также параметры и частотные характеристики.
- Подобрать модели генератора и нагруженного отрезка кабеля и определить значения их параметров.
- Рассчитать распределения действующих значений или огибающих напряжения и тока вдоль нагруженного отрезка линии и построить графики.
- Рассчитать распределения составляющих комплексного сопротивления или проводимости (в зависимости от способа последующего согласования) вдоль нагруженного отрезка кабеля и построить их графики на интервале [0, l].
- Определить и сопоставить значения активной мощности в начале и в конце отрезка линии.
- Рассчитать значения параметров элементов согласующего устройства.
- Найти значения параметров элементов согласующего устройства по диаграмме полных сопротивлений (проводимостей) и описать порядок их определения с соответствующими графическими построениями.
- Рассчитать распределения действующих значений напряжения и тока вдоль согласованного участка отрезка кабеля и элементов согласующего устройства и построить их графики.
- Рассчитать распределения вещественной и мнимой составляющих сопротивления (проводимости) вдоль согласованного участка отрезка кабеля и элементов согласующего устройства и построить графики.
- Определить и сопоставить значения активной мощности нагрузки в начале и в конце отрезка линии в согласованном режиме.
Исходные данные
Рис. | Рг | Rг | fг | l/l | Zн |
№ | Вт | Ом | МГц | отн. ед. | Ом |
3 | 50 | 75 | 1350/6 | 1.35 | 80-j60 |
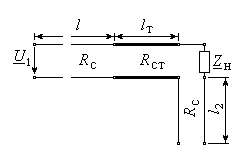
Схема согласующего устройства.
Согласование четвертьволновым трансформатором и последовательным разомкнутым шлейфом

Характеристики курсовой работы
Предмет
Учебное заведение
Семестр
Вариант
Просмотров
4
Качество
Идеальное компьютерное
Размер
974,17 Kb
Список файлов
Вариант 12 - Группа 6 - КП - Анализ гармонического процесса в отрезке радиочастотного кабеля
Вариант 12 - Группа 6 - КП - Анализ гармонического процесса в отрезке радиочастотного кабеля - Часть 1.docx
Вариант 12 - Группа 6 - КП - Анализ гармонического процесса в отрезке радиочастотного кабеля - Часть 1.xmcd
Вариант 12 - Группа 6 - КП - Анализ гармонического процесса в отрезке радиочастотного кабеля - Часть 2.docx
Вариант 12 - Группа 6 - КП - Анализ гармонического процесса в отрезке радиочастотного кабеля - Часть 2.xmcd

Вам все понравилось? Получите кэшбэк - 40 рублей на Ваш счёт при покупке. Поставьте оценку и напишите положительный комментарий к купленному файлу. После Вы получите деньги на ваш счет.