Курсовая работа: Вал 2
Описание
СОДЕРЖАНИЕ
Задание.................................................................................................... стр.2
Аннотация ....................................................................................................... стр. 3
Введение.......................................................................................................... стр. 4
- Теоретический раздел………………………………………………..стр. 6
- Выбор рациональной структуры изделия..………………………..стр. 6
- Базирование: классификация, определения и правила выбора……………………….………..........…………….…………….……..стр. 9
- Факторы, влияющие на точность механической обработки детали……………………………………………………………………… стр. 14
- Технология сборки подвижных пар и зубчатых передач ….…..стр. 16
- Практический раздел. Разработка технологического процесса изготовления детали «ВАЛ»……………………………………………..стр.20
- Анализ исходных данных…………………………………….….стр.20
- Объем выпуска……………………………………………………стр. 22
- Производственная партия……………………………………… стр.22
- Тип производства…………………………………………………стр. 22
- Выбор заготовки………………………………………………….стр. 25
- Выбор технологических баз……………………………………. стр. 27
- Составление схемы технологического маршрута обработки детали....................………………………………………………………….стр. 27
- Расчет припусков и межоперационных размеров………….. стр. 29
- Выбор типоразмера станка, оснастки и инструмента……… стр .32 2.10.Проектирование операций……………………………………… стр. 34 Заключение………………………………………………………………. стр. 38
Литература………………………………………………………….…….стр. 38
Задание
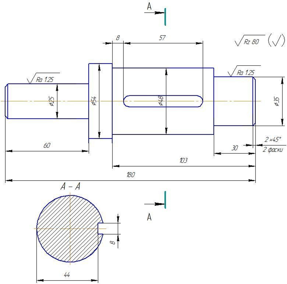
Вариант № 2.10 Чертеж детали «Вал 2»;
Производственная программа N = 750 штук; m = 4
Деталь изготовлена из стали 45 ГОСТ 1050 - 88

Рисунок 1. Эскиз детали «Вал»;
Аннотация
В теоретической части самостоятельной работе был дан ответ на 4 вопроса.
В курсовой работе согласно заданию предусматривается разработка технологического процесса изготовления «Вала», который является одной из важнейших деталей механизма для передачи вращения при заданном передаточном отношении.
Производится анализ рабочего чертежа, определение объема выпуска, производственной партии деталей и типа производства.
Приведены результаты выбора рационального способа изготовления заготовки.
Подбор технологических баз (черновая и чистовая) которые будут использоваться при изготовлении детали. Предоставление обработки заготовки в виде таблицы, в которой указывается номер операции, параметры шероховатости и наименование операции.
Расчет припусков и межоперационных размеров.
Подбор оборудования, приспособления и инструмента, необходимые для осуществления чистовой операции технологического процесса изготовления детали.
Проектирование технологической операции, формирование структуры операций, определение режимов обработки и технологических норм времени.
Введение
Ведущее место в росте экономики страны принадлежит отрасли машиностроения, которая обеспечивает материальную основу технического прогресса всех отраслей промышленности. Машиностроение располагает мощной производственной базой, выпускающей свыше четверти всей промышленной продукции страны.
Основной задачей машиностроения является переход к интенсивным методам развития, т.е. к увеличению объема производства, в основном, за счет роста производительности труда при минимально возможных капиталовложениях, за счет лучшего использования основных фондов, материальных и природных ресурсов, внедрение достижений науки, техники и передового опыта. Кроме выше перечисленного задачами машиностроения являются:
- создание техники для широкого внедрения высокопроизводительных энерго- и материалосберегающих технологий во всех отраслях народного хозяйства;
- повышение технического уровня;
- повышение качества машиностроительной продукции;
- выпуск машин и оборудования для исключения ручного труда;
- улучшение качества металлообрабатывающего оборудования, в том числе с ЧПУ, технологической оснастки;
- автоматизировать технологические процессы.
В машиностроении заданные формы деталей с требуемой точностью и качеством их поверхностей достигаются в основном путем механической обработки, так как другие способы механической обработки не всегда могут обеспечить выполнение этих требований. Таким образом, обработка деталей на металлорежущих станках должна обеспечить выполнение требований, предъявляемых к точности и чистоте обрабатываемых поверхностей, взаимному расположению осей и поверхностей, правильных контуров, форм и т.д.
Задачей данного курсового проекта является разработка технологического процесса детали “Вал”.
МАДИ
vitalievnatalia

















