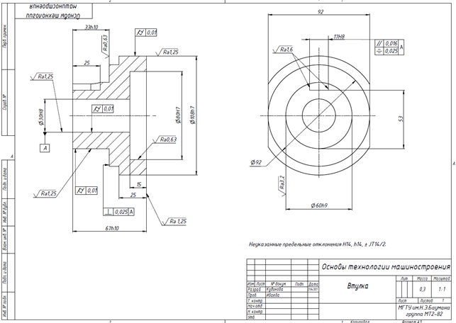
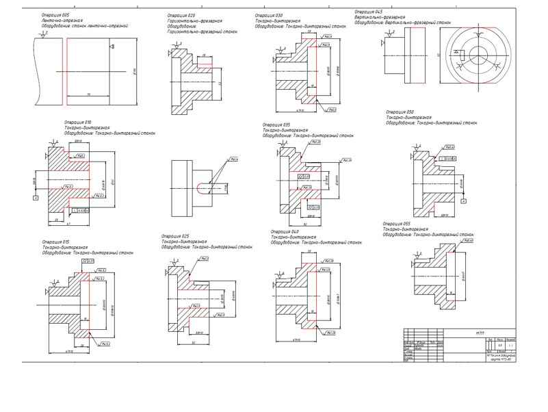
Для студентов МГТУ им. Н.Э.Баумана по предмету Основы технологии машиностроенияДз техмаш "Разработка маршрутного технологического процесса изготовления втулки"Дз техмаш "Разработка маршрутного технологического процесса изготовления втулки"
5,0054
2021-07-162021-07-16СтудИзба
Ответы к контрольной работе: Дз техмаш "Разработка маршрутного технологического процесса изготовления втулки"
Бестселлер
Описание
Характеристики ответов (шпаргалок) к КР
Учебное заведение
Семестр
Просмотров
93
Размер
1,54 Mb
Список файлов
дзз
МТП.idw
дз.docx

МГТУ им. Н.Э.Баумана



















