Для студентов МГТУ им. Н.Э.Баумана по предмету Основы программированияЛабораторная работа №11 СтекЛабораторная работа №11 Стек
5,00516
2022-11-232022-11-23СтудИзба
Лабораторная работа 11: Лабораторная работа №11 Стек
Описание
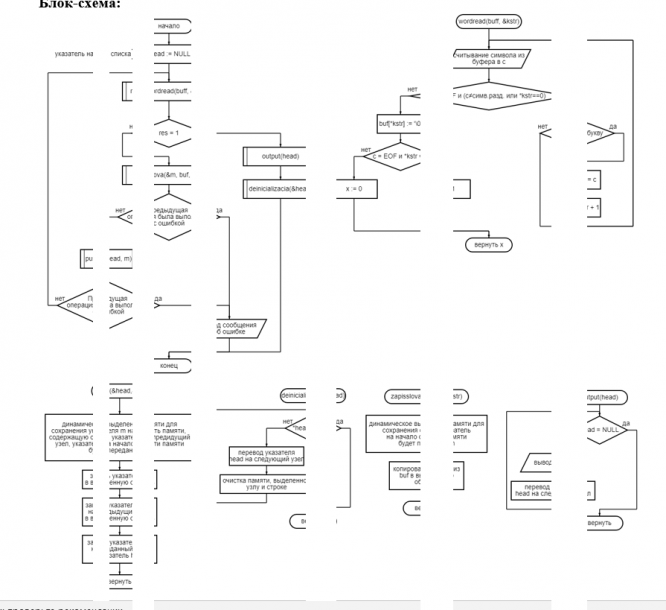
Разработайте программу, которая читает из стандартного потока ввода слова и
размещает их в стек. В данном случае под словом понимается совокупность видимых
символов, расположенных между символами-разделителями.
Стек реализуется на основе однонаправленного списка. Перед добавлением в стек из слова удаляются все символы-не-буквы. После окончания ввода содержимое списка выводится в стандартный поток вывода. При разработке данной программы используйте технологию
структурного программирования.
Характеристики лабораторной работы
Предмет
Учебное заведение
Семестр
Номер задания
Просмотров
134
Размер
174,15 Kb
Список файлов
diagram (28).json
Лаба11ОПстудизба.docx
МГТУ им. Н.Э.Баумана
donantoniochehonte


















