Для студентов МГТУ им. Н.Э.Баумана по предмету Основы проектирования режущего инструмента (ОПРИ)Рассчитать основные конструктивные размеры и размеры фасонных резцов для обработки детали № 79189Рассчитать основные конструктивные размеры и размеры фасонных резцов для обработки детали № 79189
4,86587
2025-07-292025-07-29СтудИзба
ДЗ 1: Рассчитать основные конструктивные размеры и размеры фасонных резцов для обработки детали № 79189 вариант 79189
Описание
Дз содержит РПЗ + чертеж в компасе. Все исходные файлы сохранены.
Дз сдано и защищено с первого раза.
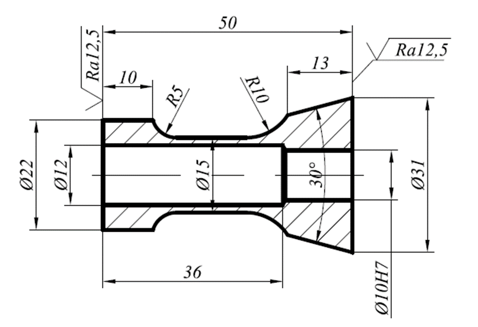
Условие:
Рассчитать основные размеры и размеры профиля фасонного резца для обработки детали №79189. Материал детали стали Ст35, твердость 183HB
![]()
Дз сдано и защищено с первого раза.
Условие:
Рассчитать основные размеры и размеры профиля фасонного резца для обработки детали №79189. Материал детали стали Ст35, твердость 183HB

Характеристики домашнего задания
Учебное заведение
Номер задания
Вариант
Просмотров
6
Размер
293,01 Kb
Преподаватели
Список файлов
2
79198 _ ОПРИ 1.cdw
Chertezh.cdw
А2.cdw
Отчет.docx
Чертеж.cdw
переточки.doc
расчет точек.xlsx
Комментарии
Нет комментариев
Стань первым, кто что-нибудь напишет!
МГТУ им. Н.Э.Баумана
vk_154348585


















