Для студентов МГТУ им. Н.Э.Баумана по предмету Основы проектирования режущего инструмента (ОПРИ)Рассчитать основные конструктивные размеры и размеры фасонных резцов для обработки детали № 79105Рассчитать основные конструктивные размеры и размеры фасонных резцов для обработки детали № 79105
5,0051
2025-07-292025-07-29СтудИзба
ДЗ 1: Рассчитать основные конструктивные размеры и размеры фасонных резцов для обработки детали № 79105 вариант 79105
Описание
Дз содержит РПЗ + чертеж в пдф формате.
Дз сдано и защищено с первого раза.
Условие:
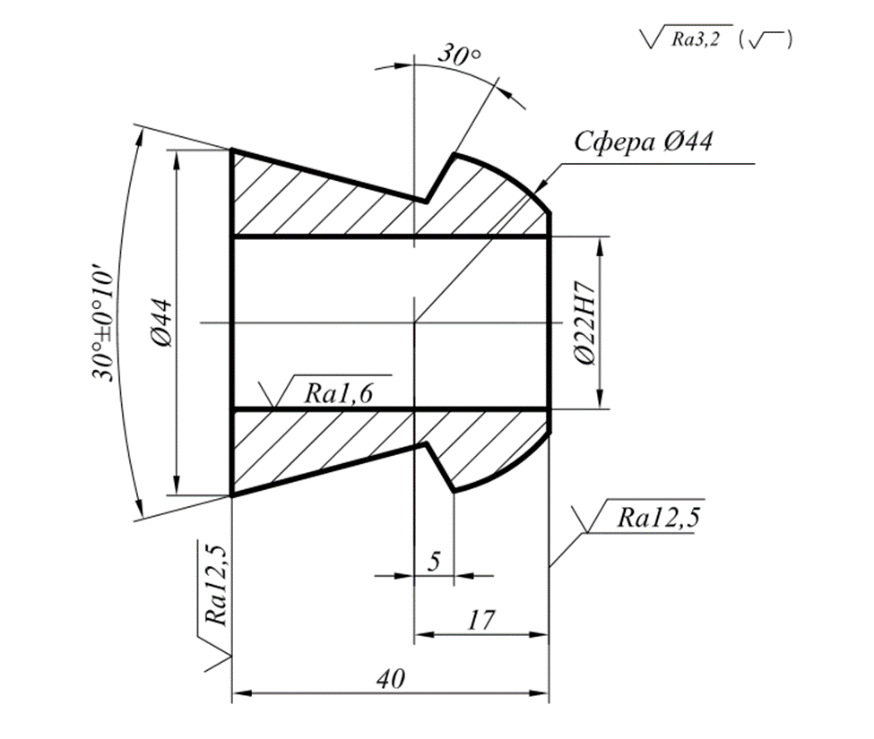
Рассчитать размеры профиля фасонного резца для обработки детали №79105. Материал детали сталь Ст6, твердость 198HB.
![]()
Дз сдано и защищено с первого раза.
Условие:
Рассчитать размеры профиля фасонного резца для обработки детали №79105. Материал детали сталь Ст6, твердость 198HB.

Характеристики домашнего задания
Учебное заведение
Номер задания
Вариант
Просмотров
15
Размер
602,05 Kb
Преподаватели
Список файлов
ДЗ прима
ДЗ1 КФР Прима М.А..docx
ДЗ1 Чертеж КФР Прима М.А..pdf
Комментарии
Нет комментариев
Стань первым, кто что-нибудь напишет!
МГТУ им. Н.Э.Баумана
vk_154348585



















