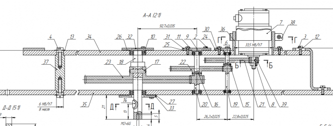
Для студентов МГТУ им. Н.Э.Баумана по предмету Основы конструирования приборов (ОКП)Исполнительный привод -Чертеж общего видаИсполнительный привод -Чертеж общего вида
4,915685
2024-01-172024-01-17СтудИзба
ДЗ 3: Исполнительный привод -Чертеж общего вида вариант 9
Описание
При покупке Вы можете получить подарок 20 руб.
Зачтено на максимальный балл!!!
Идеальное качество файлов, документов 💥 💥 💥
Не только копировать, а нужно понимать!


Характеристики домашнего задания
Учебное заведение
Номер задания
Вариант
Программы
Просмотров
12
Качество
Идеальное компьютерное
Размер
1,64 Mb
Список файлов
Чертеж общего вида + ТСЧ 2.pdf
Расчет на точность.pdf

Ваше удовлетворение является нашим приоритетом. Вставьте 5 звезд и позитивные комментарии сразу дам Вам подарок. Благодарю за использование моей службы!!