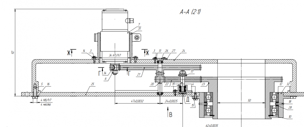
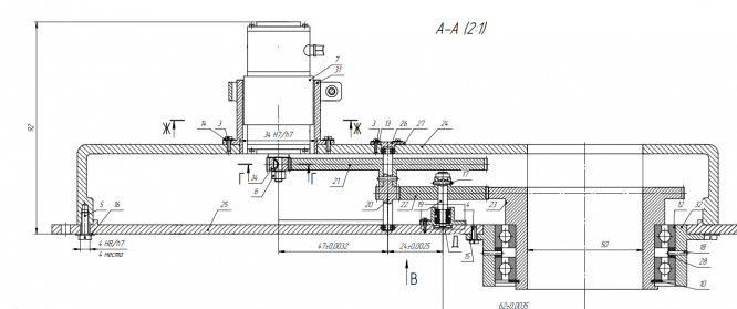
Для студентов МГТУ им. Н.Э.Баумана по предмету Основы конструирования приборов (ОКП)Привод следящей системы : Чертеж общего видаПривод следящей системы : Чертеж общего вида
5,0051
2024-01-172024-01-17СтудИзба
ДЗ 3: Привод следящей системы : Чертеж общего вида вариант 7
Описание
При покупке Вы можете получить подарок 20 руб.
Зачтено на максимальный балл!!!
Идеальное качество файлов, документов 💥 💥 💥
Не только копировать, а нужно понимать!


Характеристики домашнего задания
Учебное заведение
Номер задания
Вариант
Программы
Просмотров
28
Качество
Идеальное компьютерное
Размер
2,07 Mb
Список файлов
Следящий привод Вид Общий.pdf
ТСЧ (1) (1).pdf
Расчёт итоговый М1+М2.pdf

Ваше удовлетворение является нашим приоритетом. Вставьте 5 звезд и позитивные комментарии сразу дам Вам подарок. Благодарю за использование моей службы!!