Для студентов МГТУ им. Н.Э.Баумана по предмету Основы конструирования приборов (ОКП)Механизм линейных перемещений - Расчет вал и опор + Детальная прорисовкаМеханизм линейных перемещений - Расчет вал и опор + Детальная прорисовка
4,915685
2024-01-172024-01-17СтудИзба
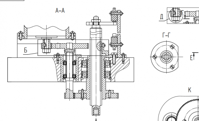
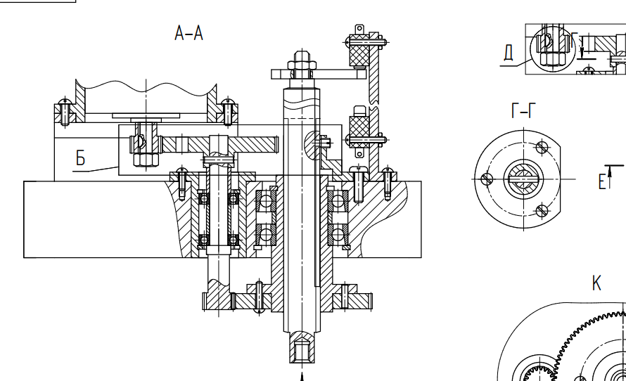
ДЗ 2: Механизм линейных перемещений - Расчет вал и опор + Детальная прорисовка вариант 5
Описание
При покупке Вы можете получить подарок 20 руб.
Зачтено на максимальный балл!!!
Идеальное качество файлов, документов 💥 💥 💥
Не только копировать, а нужно понимать!


Характеристики домашнего задания
Учебное заведение
Номер задания
Вариант
Программы
Просмотров
19
Качество
Идеальное компьютерное
Размер
1,62 Mb
Список файлов
Детальная проработка Чекмарев М.М. ИУ1-51 (6).pdf
Расчет вала и опор Чекмарев М.М. ИУ1-51 (4).pdf

Ваше удовлетворение является нашим приоритетом. Вставьте 5 звезд и позитивные комментарии сразу дам Вам подарок. Благодарю за использование моей службы!!