Для студентов МГТУ им. Н.Э.Баумана по предмету Основы конструирования приборов (ОКП)Следящий привод возратно-поступательного движения: Расчет двигателя + КомпоновкаСледящий привод возратно-поступательного движения: Расчет двигателя + Компоновка
5,0051
2023-12-292023-12-29СтудИзба
ДЗ 1: Следящий привод возратно-поступательного движения: Расчет двигателя + Компоновка вариант 3
Описание
При покупке Вы можете получить подарок 20 руб.
Зачтено на максимальный балл!!!
Идеальное качество файлов, документов 💥 💥 💥
Не только копировать, а нужно понимать!
Характеристики домашнего задания
Учебное заведение
Номер задания
Вариант
Программы
Просмотров
13
Качество
Идеальное компьютерное
Размер
1,37 Mb
Список файлов
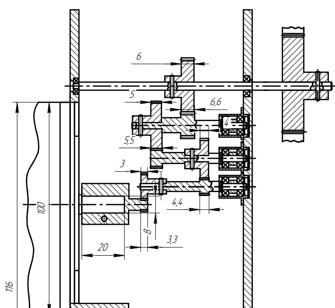
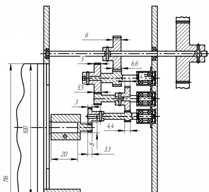
Букварева_кинематическая_схема2.pdf
компоновка_Букварева+размеры_колес.pdf
Букварева_расчеты5.pdf

Ваше удовлетворение является нашим приоритетом. Вставьте 5 звезд и позитивные комментарии сразу дам Вам подарок. Благодарю за использование моей службы!!