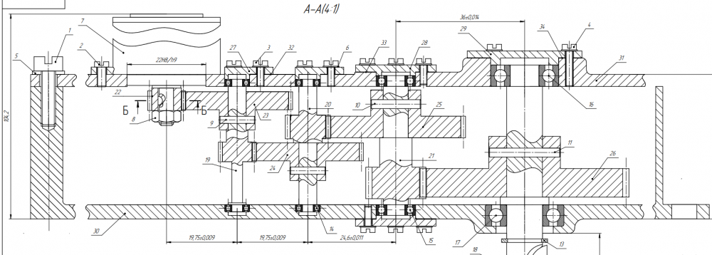
Для студентов МГТУ им. Н.Э.Баумана по предмету Основы конструирования приборов (ОКП)Исполнительный привод - Чертеж общего видаИсполнительный привод - Чертеж общего вида
4,915685
2023-12-242023-12-24СтудИзба
ДЗ 3: Исполнительный привод - Чертеж общего вида вариант 11
Описание
При покупке Вы можете получить подарок 20 руб.
Зачтено на максимальный балл!!!
Идеальное качество файлов, документов 💥 💥 💥
Не только копировать, а нужно понимать!
Характеристики домашнего задания
Учебное заведение
Номер задания
Вариант
Программы
Просмотров
6
Качество
Идеальное компьютерное
Размер
2,24 Mb
Список файлов
Зубков_Чертеж общего вида3.pdf
ТСЧ_Зубков1.pdf
Зубков_расчет на точность1.pdf

Ваше удовлетворение является нашим приоритетом. Вставьте 5 звезд и позитивные комментарии сразу дам Вам подарок. Благодарю за использование моей службы!!