Для студентов МГТУ им. Н.Э.Баумана по предмету Основы конструирования приборов (ОКП)Исполнительный привод - Расчет вал и опор + Детальная проработкаИсполнительный привод - Расчет вал и опор + Детальная проработка
4,915676
2023-12-242023-12-24СтудИзба
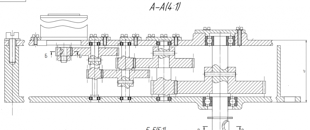
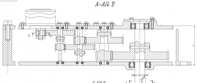
ДЗ 2: Исполнительный привод - Расчет вал и опор + Детальная проработка вариант 11
Описание
При покупке Вы можете получить подарок 20 руб.
Зачтено на максимальный балл!!!
Идеальное качество файлов, документов 💥 💥 💥
Не только копировать, а нужно понимать!
Характеристики домашнего задания
Учебное заведение
Номер задания
Вариант
Программы
Просмотров
17
Качество
Идеальное компьютерное
Размер
1,37 Mb
Список файлов
Зубков детальная проработка8.pdf
Зубков_Расчет_валов,опор.pdf

Ваше удовлетворение является нашим приоритетом. Вставьте 5 звезд и позитивные комментарии сразу дам Вам подарок. Благодарю за использование моей службы!!