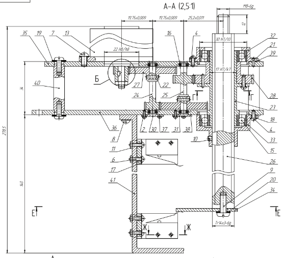
Для студентов МГТУ им. Н.Э.Баумана по предмету Основы конструирования приборов (ОКП)Механизм линейных перемещений - Чертеж общего видаМеханизм линейных перемещений - Чертеж общего вида
4,915683
2023-12-232023-12-23СтудИзба
ДЗ 3: Механизм линейных перемещений - Чертеж общего вида вариант 12
Описание
При покупке Вы можете получить подарок 20 руб.
Зачтено на максимальный балл!!!
Идеальное качество файлов, документов 💥 💥 💥
Не только копировать, а нужно понимать!
Характеристики домашнего задания
Учебное заведение
Номер задания
Вариант
Программы
Просмотров
18
Качество
Идеальное компьютерное
Размер
3,21 Mb
Список файлов
Чертёж общего вида Ушаков ИУ1-53.pdf
Расчёты Ушаков ИУ1-53.pdf
Таблица составных частей Ушаков ИУ1-53.pdf

Ваше удовлетворение является нашим приоритетом. Вставьте 5 звезд и позитивные комментарии сразу дам Вам подарок. Благодарю за использование моей службы!!