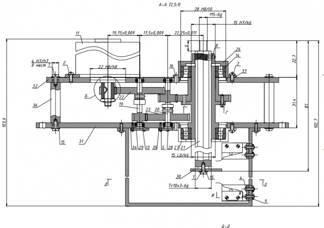
Для студентов МГТУ им. Н.Э.Баумана по предмету Основы конструирования приборов (ОКП)Механизм линейных перемещений - Чертеж общего видаМеханизм линейных перемещений - Чертеж общего вида
4,915676
2023-12-222023-12-22СтудИзба
ДЗ 3: Механизм линейных перемещений - Чертеж общего вида вариант 8
Описание
При покупке Вы можете получить подарок 20 руб.
Зачтено на максимальный балл!!!
Идеальное качество файлов, документов 💥 💥 💥
Не только копировать, а нужно понимать!
Характеристики домашнего задания
Учебное заведение
Номер задания
Вариант
Программы
Просмотров
8
Качество
Идеальное компьютерное
Размер
3,92 Mb
Список файлов
Чертёж общего вида Binh.pdf
ТСЧ_Binh.pdf
Расчеты_общий.pdf

Ваше удовлетворение является нашим приоритетом. Вставьте 5 звезд и позитивные комментарии сразу дам Вам подарок. Благодарю за использование моей службы!!