Для студентов МГТУ им. Н.Э.Баумана по предмету Основы автоматизированного проектирования (ОАП)Патрон специальныйПатрон специальный
4,9651242
2020-07-292020-07-29СтудИзба
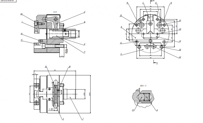
ДЗ: Патрон специальный
Описание
В архиве (файлов много - не пугайтесь, инвентор так собирает комплект, после скачивания все станет понятно, если что я помогу разобраться):
- Все модели деталей и их чертежи;
- Сборка и сборочный чертеж;
- Все собрано в один комплект файлов, который можно открыть даже без необходимых библиотек;




Характеристики домашнего задания
Учебное заведение
Семестр
Просмотров
108
Размер
47,07 Mb
Список файлов
Патрон (WorkSpace) с моделями из библиотек.zip