Для студентов МГТУ им. Н.Э.Баумана по предмету Объёмные гидромашиныРадиально-поршневой насосРадиально-поршневой насос
4,9851130
2024-04-152024-04-15СтудИзба
Курсовая работа: Радиально-поршневой насос
Описание
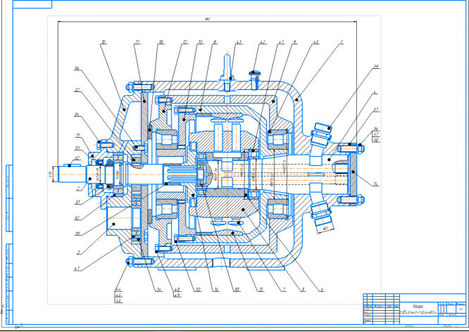
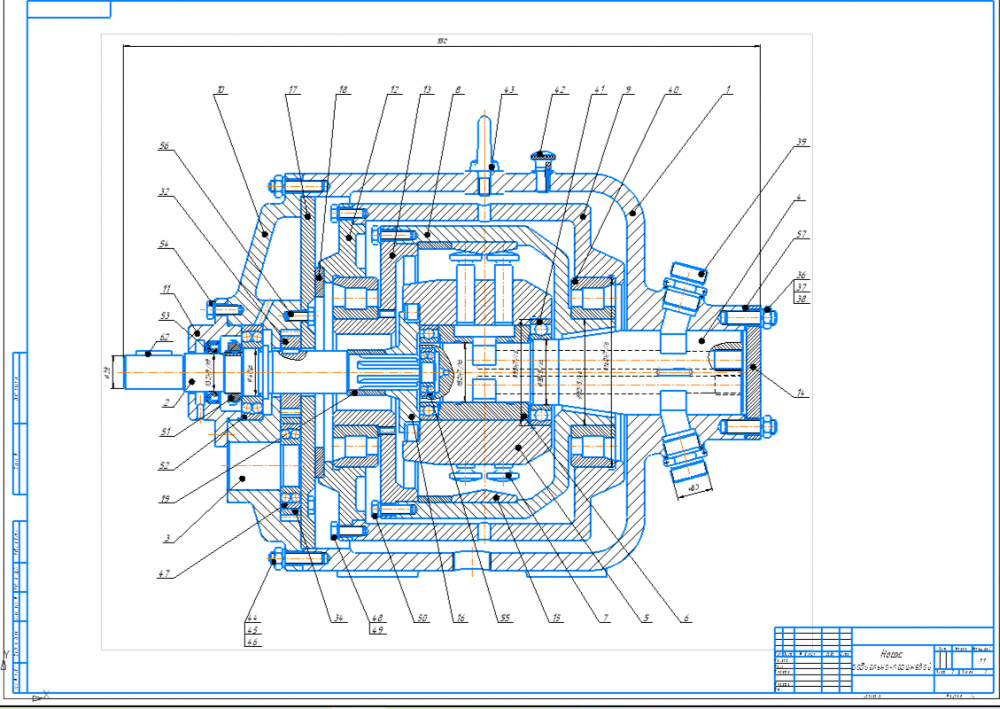
Подача насоса Q = 60 л/мин. |
Число оборотов ротора n = 960 об/мин. |
Температура жидкости t = 60° С. |
Давление нагнетания р2н=10 МПа. |
Жидкость: масло И30-А |
3.1. Расчетно-пояснительная записка на ___25-30__ листах формата А4.
3.2. Перечень графического материала КП (плакаты, схемы, чертежи и т.п.)
1. Общий вид насоса – 2 листа формата А1
2. Рабочий чертёж вала – 1 лист формата А2
3. Рабочий чертёж цапфы – 1 лист формата А2.

Характеристики курсовой работы
Предмет
Учебное заведение
Семестр
Программы
Теги
Просмотров
5
Размер
539,08 Kb
Список файлов
Вал.cdw
Гидравлическая схема управления насосом.cdw
РПГМ.cdw
РПГМ_2.cdw
РПЗ.doc
Спецификация к огм.spw
Спецификация к схеме управления.spw
Цапфа.cdw

Спасибо за покупку! Я буду очень рад, если поставишь справедливую оценку купленному файлу