Для студентов МГТУ им. Н.Э.Баумана по предмету Объёмные гидромашиныШестеренный насосШестеренный насос
4,9951124
2024-04-012024-04-01СтудИзба
Курсовая работа: Шестеренный насос
Описание
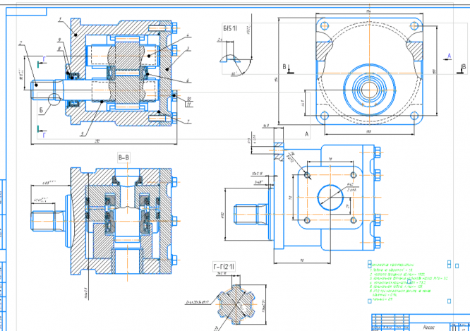
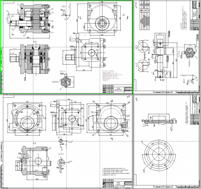
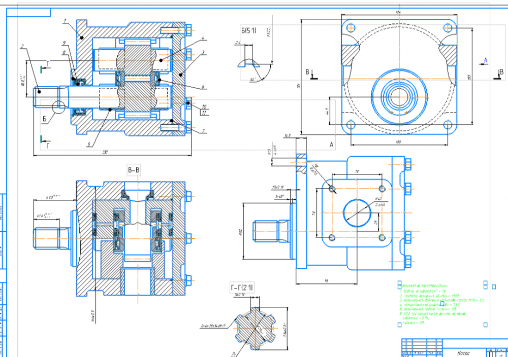
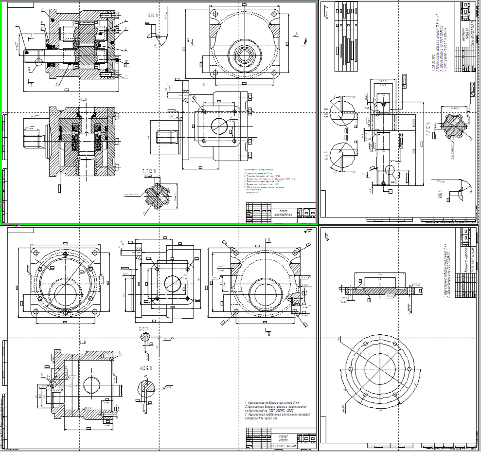
Состав: 5 листов чертежи (общий вид насоса, корпус насоса, крышка, ведущая шестерня, график неравномерности подачи) + РПЗ + Спецификация
Техничестие характеристики:
1. Подача на оборот,см - 1,8;
2. Частота вращения, об/мин - 1920;3. Номинальное давление на выходе насоса, МПа - 32;
4. Номинальная мощность, кВт - 75,2;
5. Номинальная подача, л/мин - 125;
5. КПД при номинальном режиме, не менее: объемный - 0.96; польный - 0.9.
Техничестие характеристики:
1. Подача на оборот,см - 1,8;
2. Частота вращения, об/мин - 1920;3. Номинальное давление на выходе насоса, МПа - 32;
4. Номинальная мощность, кВт - 75,2;
5. Номинальная подача, л/мин - 125;
5. КПД при номинальном режиме, не менее: объемный - 0.96; польный - 0.9.


Характеристики курсовой работы
Предмет
Учебное заведение
Семестр
Программы
Теги
Просмотров
14
Размер
1,68 Mb
Список файлов
ОБЬЕМНЫЕ
Ведущая шестерня.cdw
График неравномерности подачи.cdw
Крышка насоса.cdw
Общий вид насоса.cdw
ПЗ.doc
корпус насоса.cdw

Спасибо за покупку! Я буду очень рад, если поставишь справедливую оценку купленному файлу