Для студентов МГТУ им. Н.Э.Баумана по предмету Объёмные гидромашиныПластинчатый насосПластинчатый насос
5,0052
2023-09-212023-09-21СтудИзба
Курсовая работа: Пластинчатый насос
Описание
Состав: 6 листов чертежей, спецификация, РПЗ
Содержание
Задание………………………………………………………………………………………………………………………………………3
Введение………………………………………………………………….. ...........................…………………………………….4
1. Гидравлический расчет
1.1. Выбор принципиальной схемы насоса……..………............................………………………………..6
1.2. Определение энергетических параметров и диаметра вала насоса…................7
2. Расчет направляющей статора
2.1. Выбор профиля кривой статора…………………………………................…...................................12
2.2. Определение координат кривой статора……………………………........................................13
3. Определение контактных напряжений и геометрических размеров
верхней кромки пластины…………………………….........................................................................………17
4. Расчет сил, действующих на пластину…………………………..................................……………19
5. Расчет распределительных дисков………………………………......................................................21
6. Расчет диаметров всасывающего и нагнетательного трубопроводов………….23
7. Расчет сил прижима к статору распределительного диска плавающего
типа. Расчет пружин.
7.1. Расчет сил прижима к статору распределительного диска
плавающего типа…………………………………………………………………………………………………………...…24
7.2. Расчет пружин………………………………………………….....................….…........................................25
8. Выбор подшипников……………………………………………..........................…….……………….……………27
9. Прочностной расчет
9.1. Расчет шпоночного соединения на смятие…………………...........................................…..28
9.2 Расчет шпоночного соединения на срез………………………..........................….……………..28
10. Балансовый расчет насоса
10.1. Определение механического КПД и механических потерь…….............................29
10.2. Определение гидравлического КПД и гидравлических потерь….......................31
10.3. Определение объемного КПД и объемных потерь………………..................................32
10.4. Определение полного КПД насоса…………………………………..............................................34
Список литературы……………………………………………………….............………………………………………..35


Содержание
Задание………………………………………………………………………………………………………………………………………3
Введение………………………………………………………………….. ...........................…………………………………….4
1. Гидравлический расчет
1.1. Выбор принципиальной схемы насоса……..………............................………………………………..6
1.2. Определение энергетических параметров и диаметра вала насоса…................7
2. Расчет направляющей статора
2.1. Выбор профиля кривой статора…………………………………................…...................................12
2.2. Определение координат кривой статора……………………………........................................13
3. Определение контактных напряжений и геометрических размеров
верхней кромки пластины…………………………….........................................................................………17
4. Расчет сил, действующих на пластину…………………………..................................……………19
5. Расчет распределительных дисков………………………………......................................................21
6. Расчет диаметров всасывающего и нагнетательного трубопроводов………….23
7. Расчет сил прижима к статору распределительного диска плавающего
типа. Расчет пружин.
7.1. Расчет сил прижима к статору распределительного диска
плавающего типа…………………………………………………………………………………………………………...…24
7.2. Расчет пружин………………………………………………….....................….…........................................25
8. Выбор подшипников……………………………………………..........................…….……………….……………27
9. Прочностной расчет
9.1. Расчет шпоночного соединения на смятие…………………...........................................…..28
9.2 Расчет шпоночного соединения на срез………………………..........................….……………..28
10. Балансовый расчет насоса
10.1. Определение механического КПД и механических потерь…….............................29
10.2. Определение гидравлического КПД и гидравлических потерь….......................31
10.3. Определение объемного КПД и объемных потерь………………..................................32
10.4. Определение полного КПД насоса…………………………………..............................................34
Список литературы……………………………………………………….............………………………………………..35
Характеристики курсовой работы
Предмет
Учебное заведение
Программы
Теги
Просмотров
32
Качество
Идеальное компьютерное
Размер
3,72 Mb
Список файлов
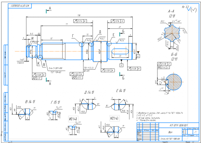
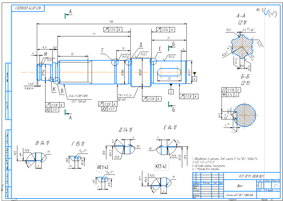
5.11Вал.cdw
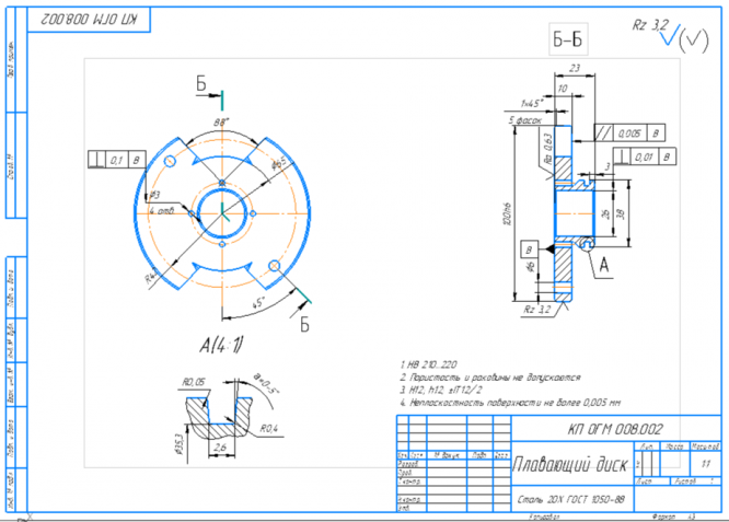
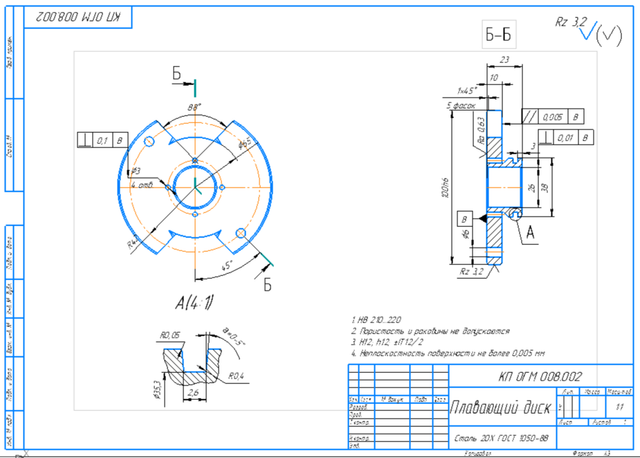
5.11Плавающий диск.cdw
5.11Профиль направляющей статора.cdw
5.11Спецификация.spw
5.11Статор.cdw
5.11общий вид.cdw
UG.doc
РПЗ.doc

Спасибо за покупку! Я буду очень рад, если поставишь справедливую оценку купленному файлу