Для студентов МГТУ им. Н.Э.Баумана по предмету Начертательная геометрияЗадача 4Задача 4
4,92523030
2025-05-312025-06-01СтудИзба
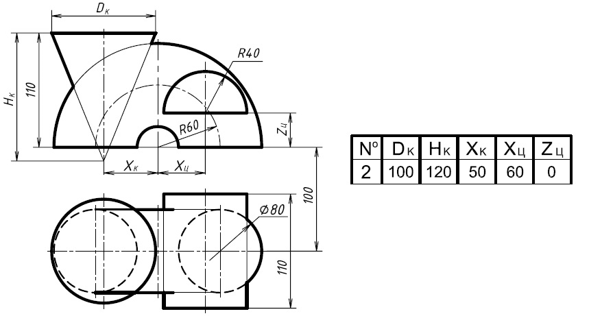
Задача 4 вариант 2
-60%
Описание
Характеристики решённой задачи
Предмет
Учебное заведение
Семестр
Номер задания
Вариант
Просмотров
4
Качество
Фото рукописных листов
Размер
2,88 Mb
Список файлов
4.JPG
4-1.JPG
Задача 4.jpg

Вам все понравилось? Получите кэшбэк - 40 рублей на Ваш счёт при покупке. Поставьте оценку и напишите положительный комментарий к купленному файлу. После Вы получите деньги на ваш счет.