Для студентов МГТУ им. Н.Э.Баумана по предмету Начертательная геометрияЗадача 4Задача 4
5,0051
2022-05-082025-06-01СтудИзба
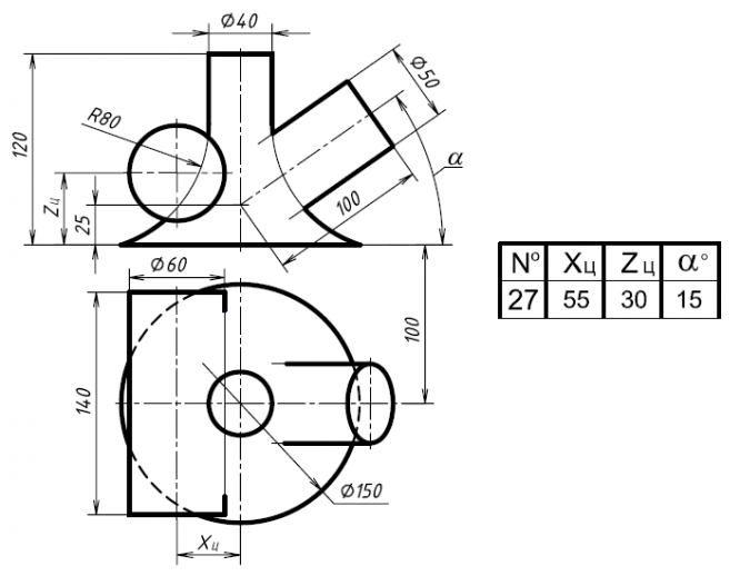
Задача 4 вариант 27
-60%
Описание
Характеристики решённой задачи
Предмет
Учебное заведение
Семестр
Номер задания
Вариант
Просмотров
16
Качество
Фото рукописных листов
Размер
1,17 Mb
Список файлов
(4).jpeg

Вам все понравилось? Получите кэшбэк - 40 рублей на Ваш счёт при покупке. Поставьте оценку и напишите положительный комментарий к купленному файлу. После Вы получите деньги на ваш счет.