Для студентов МГТУ им. Н.Э.Баумана по предмету Начертательная геометрияЗадача 1Задача 1
5,0053
2013-08-172025-06-01СтудИзба
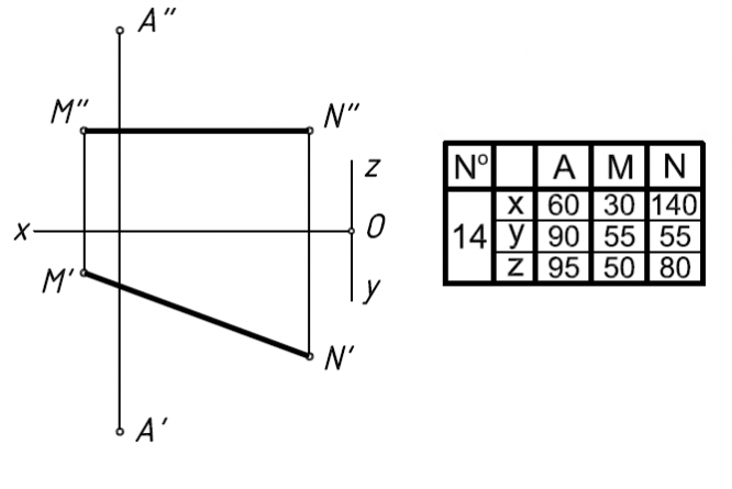
Задача 1 вариант 14
-60%
Описание
Характеристики решённой задачи
Предмет
Учебное заведение
Семестр
Номер задания
Вариант
Просмотров
2290
Качество
Фото рукописных листов
Размер
5,42 Mb
Список файлов
1-(1).jpg
1-(2).JPG
1-(3).jpg

Вам все понравилось? Получите кэшбэк - 40 рублей на Ваш счёт при покупке. Поставьте оценку и напишите положительный комментарий к купленному файлу. После Вы получите деньги на ваш счет.