Проекционное черчение
Описание
Кафедра Машиноведение, проектирование, стандартизация и сертификация
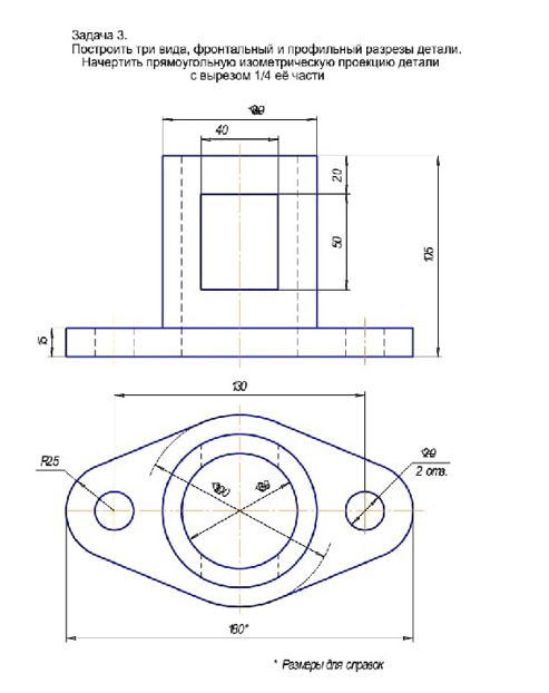
Построить три вида, фронтальный и профильный разрезы детали. Начертить прямоугольную изометрическую проекцию детали с вырезом 1/4
Формат файла:
- CDW Версия КОМПАС-3D 21V Основной чертеж, чертёж изометрии
- PDF Основной чертеж, чертёж изометрии
Таблица 1.
Таблица 2
В инженерной графике раздел «Проекционное черчение» является связующим звеном между начертательной геометрией и машиностроительным черчением. Здесь закрепляются полученные в начертательной геометрии навыки построения ортогональных и аксонометрических изображений геометрических тел, имеющих вырезы или отверстия, а также композиций этих тел. Рассматриваются особенности построения видов, разрезов, сечений геометрических тел, а также правила нанесение размеров на ортогональных чертежах. В настоящем пособии рассмотрены примеры построения ортогональных и аксонометрических изображений гранных тел (пирамида, призма), тел вращения (цилиндр, конус), у которых имеется вырез или сквозное отверстие, а также сочетания (композиции) указанных тел в едином целом, условно названном «деталью».
Авторы преследуют цель - помочь студенту самостоятельно выполнить домашнее задание по проекционному черчению, состоящее из трёх задач: 1. Построить три вида и аксонометрическую проекцию гранного тела, имеющего вырез. 2. Построить три ортогональных изображения, включающие виды и разрезы, цилиндра или конуса, имеющих сквозное отверстие. Начертить прямоугольную изометрию этого тела с вырезом % его части. 3. Построить три ортогональных изображений детали, включающих виды и разрезы. Начертить прямоугольную изометрию детали с вырезом Ул её части..
РУТ (МИИТ)
wershak















