Для студентов МГТУ им. Н.Э.Баумана по предмету Начертательная геометрия5 Задач5 Задач
5,00528
2013-08-172025-06-10СтудИзба
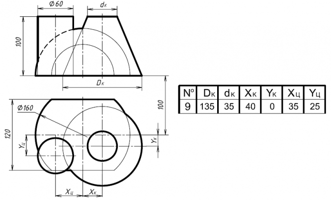
ДЗ: 5 Задач вариант 9
Бестселлер
-50%
Описание
Нужна только одна задача из всех? - Нажимай на ссылку
- Задача 1. Построить проекции равностороннего треугольника АВС со стороной ВС на прямой MN. Определить углы наклона высоты и плоскости треугольника к плоскостям проекций.
- Задача 2. Построить проекции пирамиды SABC при условии, что её высота равна 80 мм, а вершина S принадлежит прямой ЕР. Решить без преобразования чертежа.
- Задача 3. Дана пирамида SABC. Определить, применяя способы преобразования чертежа:
2. Угол между гранью SAB и основанием АВС;
З. Истинный вид основания АВС;
4. Угол между ребром SA и основанием АВС.
Указание. При решении задач 1 и 2 применить способ замены плоскостей проекций; при решении задач З и 4 применить способ вращения вокруг прямой уровня.

2. Построить проекции касательной плоскости и нормали к поверхности в одной из точек пересечения.

Характеристики домашнего задания
Предмет
Учебное заведение
Семестр
Вариант
Просмотров
2674
Качество
Фото рукописных листов
Размер
28,55 Mb
Список файлов
1-(1).JPG
1-(2).JPG
1-(3).JPG
1-(4).jpg
2-(1).JPG
2-(2).JPG
2-(3).JPG
2-(4).JPG
3.JPG
4-(1).JPG
4-(2).JPG
4-(3).JPG
4-(4).JPG
5-(1).JPG
5-(2).JPG
5-(3).JPG

Вам все понравилось? Получите кэшбэк - 40 рублей на Ваш счёт при покупке. Поставьте оценку и напишите положительный комментарий к купленному файлу. После Вы получите деньги на ваш счет.