Методические указания к лабораторным работам по курсу «Конструкции и расчет Д-4»
Описание
Методические указания к лабораторным работам по курсу
«Конструкции и расчет Д-4»
Под редакцией д.т.н профессора
Щербакова А.А
Рассмотрены и одобрены методической комиссией кафедры Э-1 на заседании кафедры.
Рецензент: д.т.н. профессор Щербаков А.А.
Авторы: Крылов В.И., Цегельский В.Г., Чернухин В.А.
Оглавление
Предисловие. 4
1. Основные теоретические положения. 5
1.1. Основные понятия и определения. 5
1.2. Режимы работы СА.. 7
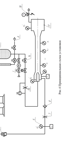
2. Описание лабораторной установки по проведению работы. 10
2.1. Устройство и функционирование лабораторной работы. 10
2.2. Методика подготовки и проведения эксперимента. 11
2.3. Методика обработки и представления результатов. 12
3. Контрольные вопросы.. 14
Инструкция по технике безопасности. 18
Предисловие
В настоящее время двухфазные струйные аппараты (СА) находят все большее применение в различных отраслях народного хозяйства. Их используют в качестве воздухоотсасывающих устройств конденсационных установок, для создания вакуума в различных емкостях, в качестве питательных насосов паровых котлов, для сжигания газов при добыче нефти и т.д.
Лабораторная работа рассчитана на 4 часа. Однако, в целях более глубокой проработки раздела курса целесообразно, чтобы студенты заранее ознакомились с данными указаниями и допускались к работе только после собеседования.
Цель работы - экспериментальное определение полной дроссельной характеристики двухфазного водо-воздушного СА, работающего в режиме эжектора, определение характера распределения статического давления по длине проточной части при различных режимах работы СА, визуализация картины течения жидкости и газа в камере смешения.

с чертежами установки и тд, и характеристик

Методические указания к лабораторным работам по курсу «Конструкции и расчет Д-4» Под редакцией д.т.н профессора Щербакова А.А Данные методические указания издаются в соответствии с новым учебным планом и новой программой курса «Конструкция и расчет Д-4» Рассмотрены и одобрены методической комиссией кафедры Э-1 на заседании кафедры. Рецензент: д.т.н. профессор Щербаков А.А. Авторы: Крылов В.И., Цегельский В.Г., Чернухин В.А. Оглавление Предисловие. 4 1. Основные теоретические положения. 5 1.1. Основные понятия и определения. 5 1.2. Режимы работы СА.. 7 2. Описание лабораторной установки по проведению работы. 10 2.1. Устройство и функционирование лабораторной работы.
10 2.2. Методика подготовки и проведения эксперимента. 11 2.3. Методика обработки и представления результатов. 12 3. Контрольные вопросы.. 14 Инструкция по технике безопасности. 18 Предисловие В настоящее время двухфазные струйные аппараты (СА) находят все большее применение в различных отраслях народного хозяйства. Их используют в качестве воздухоотсасывающих устройств конденсационных установок, для создания вакуума в различных емкостях, в качестве питательных насосов паровых котлов, для сжигания газов при добыче нефти и т.д. Лабораторная работа рассчитана на 4 часа. Однако, в целях более глубокой проработки раздела курса целесообразно, чтобы студенты заранее ознакомились с данными указаниями и допускались к работе только после собеседования.
Цель работы - экспериментальное определение полной дроссельной характеристики двухфазного водо-воздушного СА, работающего в режиме эжектора, определение характера распределения статического давления по длине проточной части при различных режимах работы СА, визуализация картины течения жидкости и газа в камере смешения. с чертежами установки и тд, и характеристик Московский ордена Ленина, ордена Октябрьской Революции и ордена Трудового Красного Знамени государственный технический университет имени Н. Э. Баумана Методические указания к лабораторным работам по курсу «Конструкции и расчет Д-4» Под редакцией д.т.н профессора Щербакова А.А Москва, 2022 Данные методические указания издаются в соответствии с новым учебным планом и новой программой курса «Конструкция и расчет Д-4» Рассмотрены и одобрены методической комиссией кафедры Э-1 на заседании кафедры.
Рецензент: д.т.н. профессор Щербаков А.А. Авторы: Крылов В.И., Цегельский В.Г., Чернухин В.А. Оглавление Предисловие4 1. Основные теоретические положения5 1.1. Основные понятия и определения5 1.2. Режимы работы СА7 2. Описание лабораторной установки по проведению работы.10 2.1. Устройство и функционирование лабораторной работы10 2.2. Методика подготовки и проведения эксперимента11 2.3. Методика обработки и представления результатов12 3. Контрольные вопросы14 Инструкция по технике безопасности.18 Предисловие В настоящее время двухфазные струйные аппараты (СА) находят все большее применение в различных отраслях народного хозяйства.
Их используют в качестве воздухоотсасывающих устройств конденсационных установок, для создания вакуума в различных емкостях, в качестве питательных насосов паровых котлов, для сжигания газов при добыче нефти и т.д. Наряду с этим данные СА находят разнообразное применение в новой технике. Возможность широкого использования объясняется, главным образом, их высокой надежностью, приемлемыми массовыми и габаритными характеристиками, конструктивной простотой и технологичностью изготовления, экономичностью по сравнению с другими агрегатами. В частности, при создании долговременно действующих космических станций СА применяются в энергосиловых установках, работающих по циклу Ренкина.
В МГД - генераторах СА применяются в качестве инжектора для разгона рабочей жидкости МГД - канала. При освоении Мирового океана большой интерес представляет использование СА, как элементов энергосиловых установок, с целью повышения термического КПД теплового цикла за счет снижения давления в турбине, пропульсивного КПД установок с тяговым эжектором, обеспечения независимости характеристик двигателей от глубины работы. Работа СА сопровождается протеканием сложных процессов смешения разнофазных струй и течения двухфазной смеси в проточной части аппарата. Их изучение в лабораторном практикуме позволяет студентам более глубоко освоить основные положения теории двухфазного СА и методов его проектирования.
В пособии излагается методика экспериментального определения одной из главных характеристик СА, а именно, полной дроссельной характеристики, устанавливается наличие характерных режимов течения двухфазного потока в проточной части СА, определяется вязь данных режимов с характером протекания полной дроссельной характеристики. Изложение материала базируется на курсе \"Теория и проектирование Д-4\". Для проведения лабораторной работы используются современные экспериментальные установки, знание которых полезно в практической работе будущих специалистов. Лабораторная работа рассчитана на 4 часа. Однако, в целях более глубокой проработки раздела курса целесообразно, чтобы студенты заранее ознакомились с данными указаниями и допускались к работе только после собеседования.
Цель работы экспериментальное определение полной дроссельной характеристики двухфазного водо-воздушного СА, работающего в режиме эжектора, определение характера распределения статического давления по длине проточной части при различных режимах работы СА, визуализация картины течения жидкости и газа в камере смешения. Основные теоретические положения Основные понятия и определения Двухфазными струйными аппаратами называются устройства, в которых происходит смешение двух потоков, находящихся в разных агрегатных состояниях, с дальнейшим образованием смешанного двухфазного или однофазного потока. В зависимости от физических свойств и параметров смешивающихся разнофазных потоков на выходе СА образуется однофазная (паро-газовая или жидкостная) или двухфазная (паро-газе-жидкостная и газо-жидкостная) среда.
В общем случае, если двухфазные СА используются для подачи взвеси твердых частиц, на выходе из него может образовываться трехфазная смесь паро-газо-жидкости и твердых частиц, Такой при дальнейшем изложении не рассматривается. Двухфазный СА, изображенный на рис. 1, состоит из газового и жидкостного сопл, камеры смешения и диффузора. Взаимное расположение сопл, их число и форма могут быть различными, также как форма и длина камеры смешения. Работа СА осуществляется следующим образом. Газ (газо-паровая смесь) через суживающееся дозвуковое или сверхзвуковое сопло поступает в камеру смешения, а жидкость через суживающийся насадок. В камере смешения происходит процесс смешения разнофазных струй, сопровождающийся обменом количества движения и тепло-массо-обменом, в результате чего выравниваются скорости, температуры и давления смешивающихся потоков.
При дальнейшем течении потока в диффузоре происходит превращение его кинетической энергии приобретенной в конце камеры смешения (сечение 2-2), в энергию давления. Двухфазный СА называют жидкостно-паро-газовым (ЖГПСА), если полное давление смеси на выходе из него p_С3^* больше полного давления газообразного компонента p_Г0^* , но меньше полного давления жидкости p_Ж0^* на входе в СА, т.е. p_Г0^*< p_С3^*< p_Ж0^* Здесь и далее первый знак индекса \"Г\", \"Ж\", \"С\" обозначает, что параметр относится соответственно к газу, жидкости или смеси, второй - указывает сечение струйного аппарата в соответствии с рисунком 1. Звездочной (*) указываются параметры торможения.
В данном названии струйного аппарата первое слово подчеркивает, что жидкость является активным рабочим телом, а газ или парогаз-пассивным. Физически это означает, что работа расширения жидкости используется для сжатия газа. Данный класс двухфазных СА называется эжекторами. Двухфазный СА называют паро-жидкостным (ПИСА) или паро-газо-жидкостным (ШГЖСА), если полное давление смеси на выходе p_С3^* больше полного давления пара p_Г0^* и жидкости p_Ж0^* на входе в него, т.е. p_С3^*>p_Г0^* и p_С3^*> p_Ж0^* . В этих СА происходит процесс преобразования тепловой энергии пара в энергию давления жидкости, т.е. здесь уже пар (парогаз) является активным рабочим телом, а жидкость – пассивным.
Данный класс двухфазных СА называется инжекторами. Изменяя давление на выходе из СА, можно существенным образом влиять на протекание рабочих процессов в нем. Наглядное представле-ние о характере режимов работы СА дает полная дроссельная характе-ристика, представляющая зависимость полного давления газа (парогаза) на входе в CA p_Г0^* от давления смеси на выходе из него p_С3^*, полученная для серии фиксированных расходов газа (m_Г1 ) ̇ , при постоянных значениях давления и температуры жидкости p_Ж0^* , T_Ж0^* и температуры газа T_Г0^* на входе в СА. Режимы работы СА На рис.2 представлена типичная полная дроссельная характеристика ЖГСА. На этой характеристике можно выделить три характерных участка: участок критических режимов работы a-b(a^\'-b^\'), на котором с увеличением давления p_С3^* в выходном сечении диффузора полное давление отсасываемого газа p_Г0^* остается неизменным; участок докритических режимов b-c(b^\'-c^\' ),f-c(f^\'-c^\' ), характеризующийся резким ростом p_Г0^* с увеличением p_С3^* ; и участок режимов \"частичный распад\" d-f(d^\'-f^\'), Каждому из перечисленных режимов соответствует своя картина течения жидкости и газа в проточной части, приведенная на рис.
2, а также свой характерный профиль распределения статического давления вдоль проточной части СА, приведенной на рис. 3. Точки режимов на полной дроссельной характеристике (см. рис. 2) и соответствующие им кривые распределения давления (см. рис.3) обозначены одинаковыми цифрами и буквами. На критическом режиме работы в выходном сечении камеры смешения реализуется сверхзвуковой или звуковой режим течения двухфазной смеси, в силу чего возмущения не передаются по потоку. Превращение дозвуковых потоков газа и жидкости на входе в струйный аппарат в сверхзвуковой поток д....
Характеристики статьи
Преподаватели
Список файлов
