Задача 1: Некрасов 1-25 вариант 25
Описание
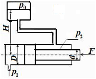
Определить давление р1 жидкости, которую необходимо подвести к гидроцилиндру, чтобы преодолеть усилие, направленное вдоль штока F. Диаметры: цилиндра D, штока d. Давление в бачке р0 (избыточное), высота Н. Силу трения не учитывать. Плотность жидкости ρ.
*без числового решения, только формулы
Характеристики решённой задачи
Номер задания
Вариант
Программы
Теги
Просмотров
21
Качество
Идеальное компьютерное
Размер
35,14 Kb
Список файлов
Некрасов 1-25.docx
Комментарии
Нет комментариев
Стань первым, кто что-нибудь напишет!
A45162





















