Для студентов МГТУ им. Н.Э.Баумана по предмету Механика жидкости и газа (МЖГ или Гидравлика)Задача 10-24Задача 10-24
5,0055
2025-04-282025-09-07СтудИзба
Задача 10: Задача 10-24 вариант 24
Описание
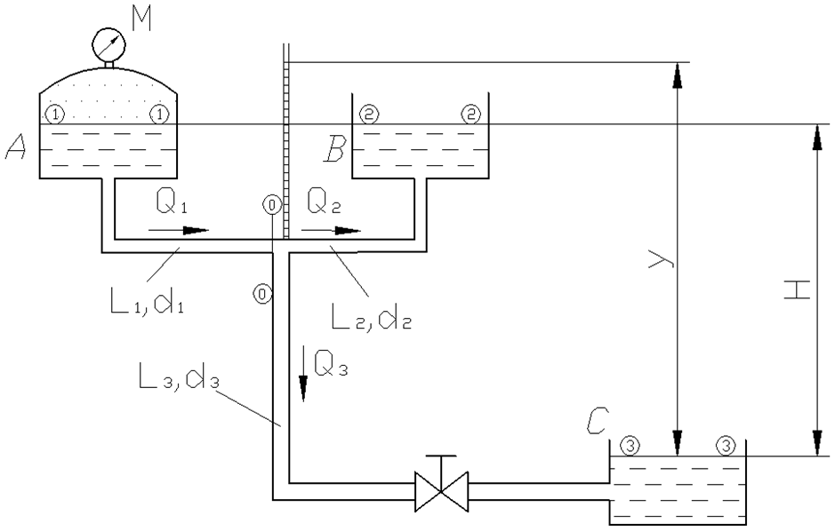
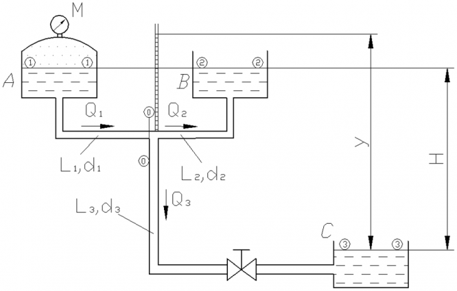
Баки А, В и С соединены трубопроводами L1 = 75 мм, d1 = 75мм, и L2 = L3 = 100м, d2 = d3 = 50 мм. Напор Н = 10 м.
При каком давлении М на поверхности воды в баке А в бак В будет поступать расход Q2 = 5 л/с?
Как нужно изменить давление М, чтобы вода не поступала в бак В?
Коэффициенты сопротивления трения во всех трубопроводах принять равными λ = 0,03, коэффициент сопротивления задвижки ξ =15
![]()
При каком давлении М на поверхности воды в баке А в бак В будет поступать расход Q2 = 5 л/с?
Как нужно изменить давление М, чтобы вода не поступала в бак В?
Коэффициенты сопротивления трения во всех трубопроводах принять равными λ = 0,03, коэффициент сопротивления задвижки ξ =15

Характеристики решённой задачи
Учебное заведение
Номер задания
Вариант
Программы
Теги
Просмотров
14
Качество
Идеальное компьютерное
Размер
22,63 Kb
Преподаватели
Список файлов
Задача10.24.docx