Рабочая жидкость – масло Ж, температура которого 50°С, из насоса подводится к гидроцилиндру Ц через дроссель ДР. Поршень цилиндра со штоком перемещается против нагрузки F со скоростью Vп. Вытесняемая поршнем жидкость со штоковой полости попадает в ба
Описание
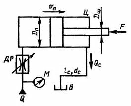
Рабочая жидкость – масло Ж, температура которого 50°С, из насоса подводится к гидроцилиндру Ц через дроссель ДР. Поршень цилиндра со штоком перемещается против нагрузки F со скоростью Vп. Вытесняемая поршнем жидкость со штоковой полости попадает в бак В через сливную линию, длина которой равна lc, а диаметр равен dc.
Определить внешнюю силу F, преодолеваемую штоком при его движении. Давление на входе в дроссель определяется показанием манометра М, а противодавление в штоковой полости цилиндра – потерями давления в сливной линии. Коэффициент расхода дросселя принять равным µ = 0,64 , а диаметр отверстия дросселя dд. Диаметр поршня Dп, а диаметр штока Dш. КПД гидроцилиндра: объемный η0 = 0,1, механический ηм.
Дано: Жидкость – масло Индустриальное 12; Vп=4,50 см/с;lс=2,90 м; dс=11 мм;рм=1,90 МПа;dд=4,70 мм;Dп=90 мм;Dш=25 мм;η0=1; ηм=0,91; µ=0,64.
Характеристики решённой задачи
Список файлов
