Для студентов по предмету Механика жидкости и газа (МЖГ или Гидравлика)Вода по трубе 1 подается в открытый бак и вытекает по трубе 2. Во избежание переливания воды через край бака устроена вертикальная сливная труба 3 диаВода по трубе 1 подается в открытый бак и вытекает по трубе 2. Во избежание переливания воды через край бака устроена вертикальная сливная труба 3 диа
5,0058
2023-08-102024-09-20СтудИзба
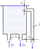
Вода по трубе 1 подается в открытый бак и вытекает по трубе 2. Во избежание переливания воды через край бака устроена вертикальная сливная труба 3 диаметром d = 50 мм. Определить необходимую длину L трубы 3 из условия, чтобы при Q1 = 1 л/с и перекрыт
Описание
Вода по трубе 1 подается в открытый бак и вытекает по трубе 2. Во избежание переливания воды через край бака устроена вертикальная сливная труба 3 диаметром d = 50 мм. Определить необходимую длину L трубы 3 из условия, чтобы при Q1 = 1 л/с и перекрытой трубе 2 (Q2 = 0) вода не переливалась через край бака. Режим течения считать турбулентным. Принять следующие значения коэффициентов сопротивления: на входе в трубу ξ1 = 0,5; в колене ξ2 = 0,5; на трение по длине трубы λт = 0,03; a = 0,1 м.

Характеристики решённой задачи
Номер задания
Вариант
Теги
Просмотров
64
Качество
Скан рукописных листов
Размер
324,31 Kb
Список файлов
некр4,14.pdf
