Для студентов по предмету Механика жидкости и газа (МЖГ или Гидравлика)По трубопроводу, составленному из труб различного диаметра, перекачивается вода (рис. 9.6) при температуре t=20 ºС. Диаметр трубы в сечении 1-1 равен По трубопроводу, составленному из труб различного диаметра, перекачивается вода (рис. 9.6) при температуре t=20 ºС. Диаметр трубы в сечении 1-1 равен
5,0054
2023-01-052023-01-05СтудИзба
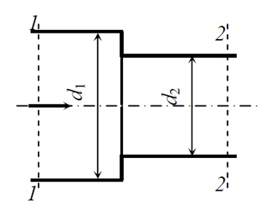
По трубопроводу, составленному из труб различного диаметра, перекачивается вода (рис. 9.6) при температуре t=20 ºС. Диаметр трубы в сечении 1-1 равен d1=0,08 м, в сечении 2-2 d2=0,06 м, средняя скорость в сечении 1-1 υ1=0,8 м/с. Определить среднюю ск
Описание
По трубопроводу, составленному из труб различного диаметра, перекачивается вода (рис. 9.6) при температуре t=20 ºС. Диаметр трубы в сечении 1-1 равен d1=0,08 м, в сечении 2-2 d2=0,06 м, средняя скорость в сечении 1-1 υ1=0,8 м/с. Определить среднюю скорость в сечении 2-2, режим течения жидкости. Какие параметры необходимо изменить, чтобы поменялся режим течения воды?
Рис. 9.6.
Характеристики решённой задачи
Номер задания
Программы
Просмотров
20
Качество
Идеальное компьютерное
Размер
54,01 Kb
Список файлов
Задача.docx
