Для студентов по предмету Механика жидкости и газа (МЖГ или Гидравлика)Вода (ρв=1000 кг/м3) по трубе диаметром d под давлением p подаётся в резервуар. Во избежание переполнения резервуара сечение трубы перекрывается клапаВода (ρв=1000 кг/м3) по трубе диаметром d под давлением p подаётся в резервуар. Во избежание переполнения резервуара сечение трубы перекрывается клапа
5,00518051
2022-10-112022-10-11СтудИзба
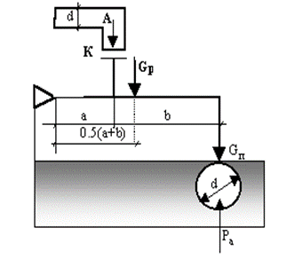
Вода (ρв=1000 кг/м3) по трубе диаметром d под давлением p подаётся в резервуар. Во избежание переполнения резервуара сечение трубы перекрывается клапаном К, прижимаемым к трубе рычажно-поплавковым устройством. Плечи рычага а и b; масса рычага Мр. поп
Описание
Вода (ρв=1000 кг/м3) по трубе диаметром d под давлением p подаётся в резервуар. Во избежание переполнения резервуара сечение трубы перекрывается клапаном К, прижимаемым к трубе рычажно-поплавковым устройством. Плечи рычага а и b; масса рычага Мр. поплавок диаметром D имеет массу Мп.
При полном погружении поплавка выталкивающая сила Ра создаёт в клапане К усилие, равное силе давления воды Р в подводящей трубе.
Известно, что р=0,3 МПа, d=50 мм, Мр=200 г, a=40 мм, b=180 мм.
Определить требуемый диаметр поплавка D, если его масса Мп=120 г.
Характеристики решённой задачи
Программы
Просмотров
2
Качество
Идеальное компьютерное
Размер
45,97 Kb
Список файлов
Задача.docx
