На рис. 1 приведена схема объемного нерегулируемого гидропривода возвратно-поступательного движения. Известны следующие величины: - диаметр гидроцилиндра Dц=100 мм; - рабочий ход штока L=630 мм; - скорость движения штока υшт=0,153 м/с; - усилие на ш
Описание
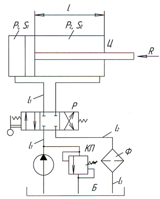
На рис. 1 приведена схема объемного нерегулируемого гидропривода возвратно-поступательного движения. Известны следующие величины:
- диаметр гидроцилиндра Dц=100 мм;
- рабочий ход штока L=630 мм;
- скорость движения штока υшт=0,153 м/с;
- усилие на штоке при рабочем ходе R=63 кН;
- сила трения в уплотнениях поршня и штока Rтр=7 кН;
- частота вращения вала насоса n=3000 об/мин;
- объем насоса за один оборот вала qн=32 см3;
- потери давления в гидросистеме составляют рпот=3 МПа.
Требуется определить:
- подачу насоса при рабочем ходе штока гидроцилиндра Vн.р.;
- эффективную мощность гидропривода Nэ;
- мощность на валу насоса Nн;
- кпд гидропривода при рабочем ходе поршня гидроцилиндра ηр., приняв кпд насоса ηн.р.=0,8.
Рис. 1.
Б – гидробак; Н – гидонасос; КП – предохранительный клапан;
Р - распределитель; Ц – цилиндр; Ф – фильтр.
Гидролинии: l – всасывания; l1 – напорные; l2, l3 – сливные
Характеристики решённой задачи
Список файлов
