Для студентов по предмету Механика жидкости и газа (МЖГ или Гидравлика)В бак подается вода с постоянным расходом Q, а чтобы избежать переполнения бака, установлена сливная труба диаметром d=125 мм и общей длиной 8 м с коэВ бак подается вода с постоянным расходом Q, а чтобы избежать переполнения бака, установлена сливная труба диаметром d=125 мм и общей длиной 8 м с коэ
5,0051
2022-06-062022-06-06СтудИзба
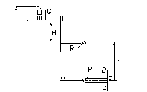
В бак подается вода с постоянным расходом Q, а чтобы избежать переполнения бака, установлена сливная труба диаметром d=125 мм и общей длиной 8 м с коэффициентом трения λ=0,025. Определить при каком напоре H расходы притока и истечения воды из бака со
Описание
В бак подается вода с постоянным расходом Q, а чтобы избежать переполнения бака, установлена сливная труба диаметром d=125 мм и общей длиной 8 м с коэффициентом трения λ=0,025. Определить при каком напоре H расходы притока и истечения воды из бака составят Q=25 л/с, если радиус закругления поворотов трубы R=20 см, а значение h=7 м.
Характеристики решённой задачи
Программы
Просмотров
12
Качество
Идеальное компьютерное
Размер
74,06 Kb
Список файлов
Задача.docx
