Для студентов по предмету Механика жидкости и газа (МЖГ или Гидравлика)Вода протекает по водомеру Вентури, состоящему из трубы диаметром d=20 см, в которую вставлен участок трубы диаметром d2=10 см. Пренебрегая сопротивлеВода протекает по водомеру Вентури, состоящему из трубы диаметром d=20 см, в которую вставлен участок трубы диаметром d2=10 см. Пренебрегая сопротивле
5,00511
2022-06-032022-06-03СтудИзба
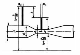
Вода протекает по водомеру Вентури, состоящему из трубы диаметром d=20 см, в которую вставлен участок трубы диаметром d2=10 см. Пренебрегая сопротивлением, определить расход воды, если в пьезометрах П1 и П2 разность показаний h=0,25 м.
Описание
Вода протекает по водомеру Вентури, состоящему из трубы диаметром d=20 см, в которую вставлен участок трубы диаметром d2=10 см. Пренебрегая сопротивлением, определить расход воды, если в пьезометрах П1 и П2 разность показаний h=0,25 м.

Характеристики решённой задачи
Просмотров
74
Качество
Скан печатных листов
Размер
1,56 Mb
Список файлов
1.jpg
