Для студентов по предмету Механика жидкости и газа (МЖГ или Гидравлика)Вода (в = 1000 кг/м3) по трубе диаметром d под давлением p подаётся в резервуар. Во избежание переполнения резервуара сечение трубы перекрывается клаВода (в = 1000 кг/м3) по трубе диаметром d под давлением p подаётся в резервуар. Во избежание переполнения резервуара сечение трубы перекрывается кла
4,90547655
2022-05-072022-05-07СтудИзба
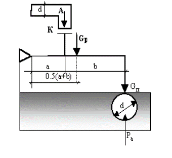
Вода (в = 1000 кг/м3) по трубе диаметром d под давлением p подаётся в резервуар. Во избежание переполнения резервуара сечение трубы перекрывается клапаном К, прижимаемым к трубе рычажно-поплавковым устройством. Плечи рычага а и b; масса рычага Мр. п
Описание
Вода (rв = 1000 кг/м3) по трубе диаметром d под давлением p подаётся в резервуар. Во избежание переполнения резервуара сечение трубы перекрывается клапаном К, прижимаемым к трубе рычажно-поплавковым устройством. Плечи рычага а и b; масса рычага Мр. поплавок диаметром D имеет массу Мп.
При полном погружении поплавка выталкивающая сила Ра создаёт в клапане К усилие, равное силе давления воды Р в подводящей трубе.
Известно, что р=0,3 МПа, d=50 мм, Мр=200 г, a=40 мм, b=180 мм.
Определить требуемый диаметр поплавка D, если его масса Мп=120 г.
Характеристики решённой задачи
Программы
Просмотров
21
Размер
34,75 Kb
Список файлов
Задача 4.docx

Друзья, спасибо за доверие! Если вам понравилась работа – поставьте 5⭐ и напишите отзыв. Это поможет другим студентам, а мне даст силы делать ещё больше качественных материалов для вас 🔥