Для студентов по предмету Механика жидкости и газа (МЖГ или Гидравлика)Задача 6-3Задача 6-3
4,85523
2022-05-022022-05-02СтудИзба
Задача 6: Задача 6-3 вариант 3
Описание
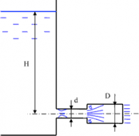
Для насадка, составленного из двух цилиндрических патрубков, диаметрами d=70 мм и D=100 мм, определить коэффициенты потерь ξ и расхода μ.
Найти предельный напор Hпр в случае истечения воды в атмосферу, принимая, что при H=Hпр вакуумметрическая высота в наименьшем сечении потока достигает 10 м.
Коэффициент сжатия струи в узком сечении принять равным ε=0,64.
Характеристики решённой задачи
Номер задания
Вариант
Программы
Теги
Просмотров
164
Качество
Идеальное компьютерное
Размер
195 Kb
Список файлов
Задача.doc
