Для студентов НГТУ им. Р.Е. Алексеева по предмету Механика жидкости и газа (МЖГ или Гидравлика)Два резервуара, открытый диаметром d и закрытый диаметром D, соединены вертикальной трубой и частично заполнены водой. При закрытой задвижке труба запДва резервуара, открытый диаметром d и закрытый диаметром D, соединены вертикальной трубой и частично заполнены водой. При закрытой задвижке труба зап
5,0051
2022-04-162024-10-28СтудИзба
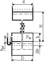
Два резервуара, открытый диаметром d и закрытый диаметром D, соединены вертикальной трубой и частично заполнены водой. При закрытой задвижке труба заполнена водой, разность уровней в резервуарах равна H, толщина воздушной подушки в закрытом резервуар
Описание
Два резервуара, открытый диаметром d и закрытый диаметром D, соединены вертикальной трубой и частично заполнены водой. При закрытой задвижке труба заполнена водой, разность уровней в резервуарах равна H, толщина воздушной подушки в закрытом резервуаре равна h , а избыточное давление в ней равно pм .
Определить изменение уровня воды Δh в нижнем резервуаре и показание ртутного манометра hрт после открытия задвижки на трубе и перетекания воды. Процесс расширения воздуха считать изотермическим.
Задача 1-20. Дано:D=1,2 м, d=0,6 м, H=2,5 м, h=0,6 м, hатм=740 мм.рт.ст, Рм=0,7 атм.
![]()
Определить изменение уровня воды Δh в нижнем резервуаре и показание ртутного манометра hрт после открытия задвижки на трубе и перетекания воды. Процесс расширения воздуха считать изотермическим.
Задача 1-20. Дано:D=1,2 м, d=0,6 м, H=2,5 м, h=0,6 м, hатм=740 мм.рт.ст, Рм=0,7 атм.

Характеристики решённой задачи
Учебное заведение
Номер задания
Вариант
Теги
Просмотров
14
Качество
Скан печатных листов
Размер
1,15 Mb
Список файлов
1-20.1.jpg
1-20.2.jpg
